LEMON Manuals: Even more car manuals for everyone: 1960-2025
Home >> Toyota >> 2007 >> Sienna CE >> Repair and Diagnosis >> Electrical >> Body Electrical >> OEM System Circuits >> Door Lock Control >> Notes
April 5, 2026: LEMON Manuals is launched! Read the announcement.

Door Lock Control: Notes

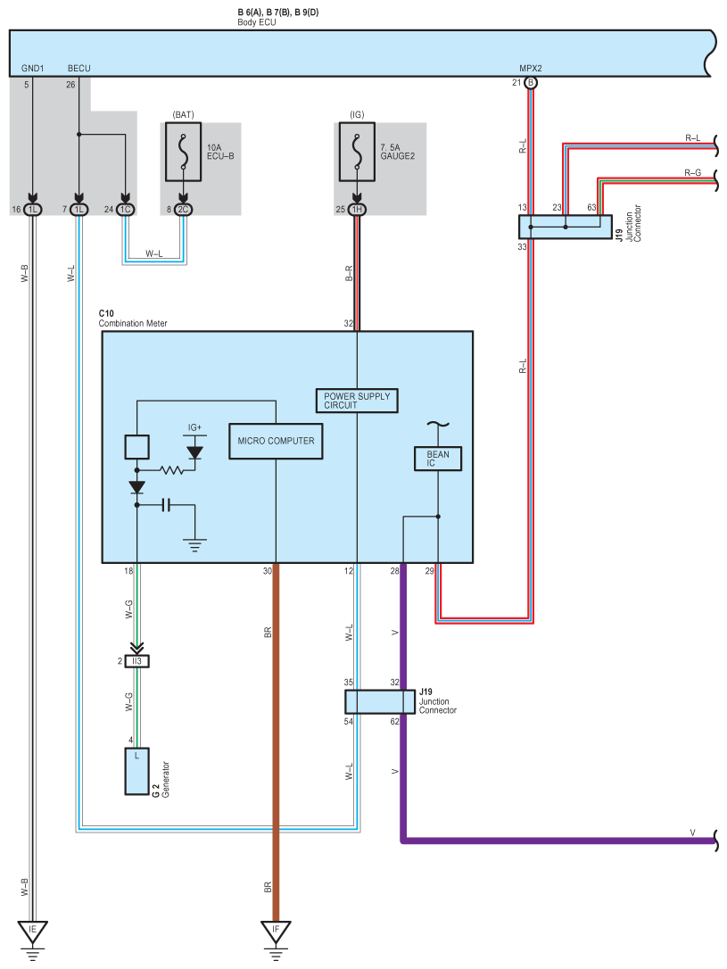
Fig 1: Door Lock Control System Wiring Diagram (1 Of 6)
G08841981Courtesy of © TOYOTA, LICENSE AGREEMENT TMS1002
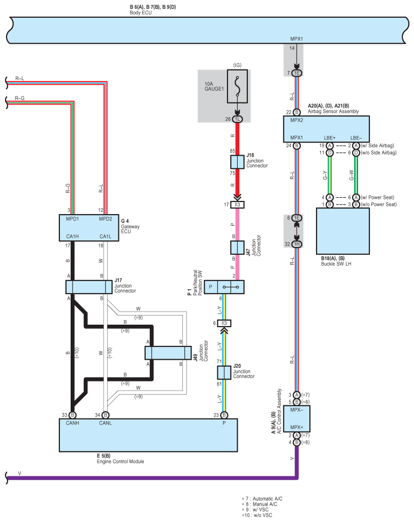
Fig 2: Door Lock Control System Wiring Diagram (2 Of 6)
G08841982Courtesy of © TOYOTA, LICENSE AGREEMENT TMS1002
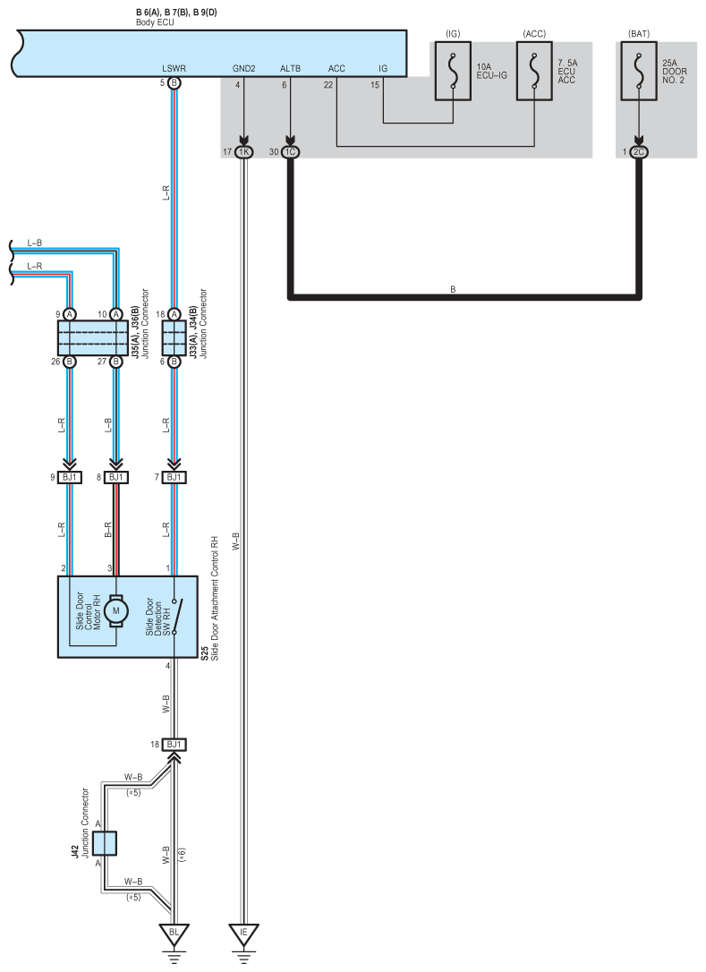
Fig 3: Door Lock Control System Wiring Diagram (3 Of 6)
G08841983Courtesy of © TOYOTA, LICENSE AGREEMENT TMS1002
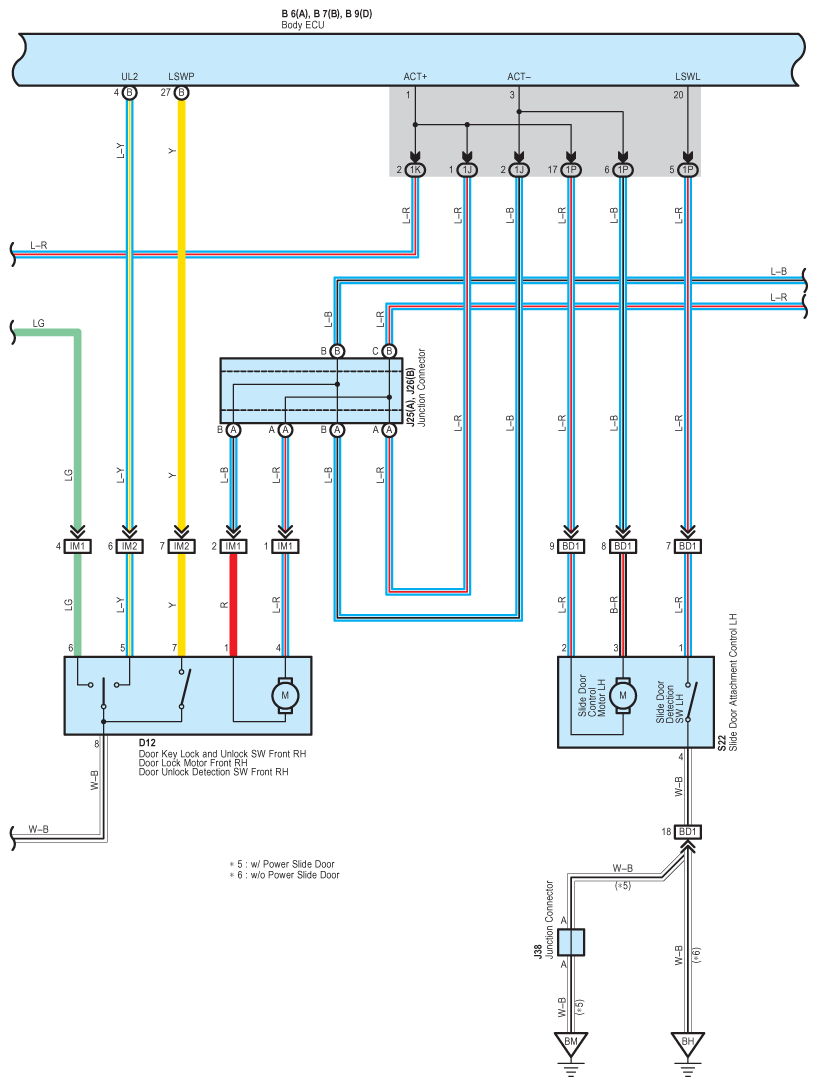
Fig 4: Door Lock Control System Wiring Diagram (4 Of 6)
G08841984Courtesy of © TOYOTA, LICENSE AGREEMENT TMS1002
Fig 5: Door Lock Control System Wiring Diagram (5 Of 6)
G08841985Courtesy of © TOYOTA, LICENSE AGREEMENT TMS1002
Fig 6: Door Lock Control System Wiring Diagram (6 Of 6)
G08841986Courtesy of © TOYOTA, LICENSE AGREEMENT TMS1002