LEMON Manuals: Even more car manuals for everyone: 1960-2025
Home >> Toyota >> 2007 >> Sienna CE >> Repair and Diagnosis >> Electrical >> Body Electrical >> OEM System Circuits >> Power Window without Jam Protection >> Notes
April 5, 2026: LEMON Manuals is launched! Read the announcement.

Power Window without Jam Protection: Notes

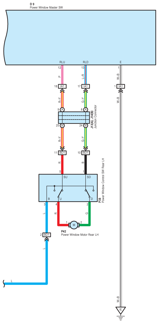
Fig 1: Power Window System (Without Jam Protection) Wiring Diagram (1 Of 3)
G08841958Courtesy of © TOYOTA, LICENSE AGREEMENT TMS1002
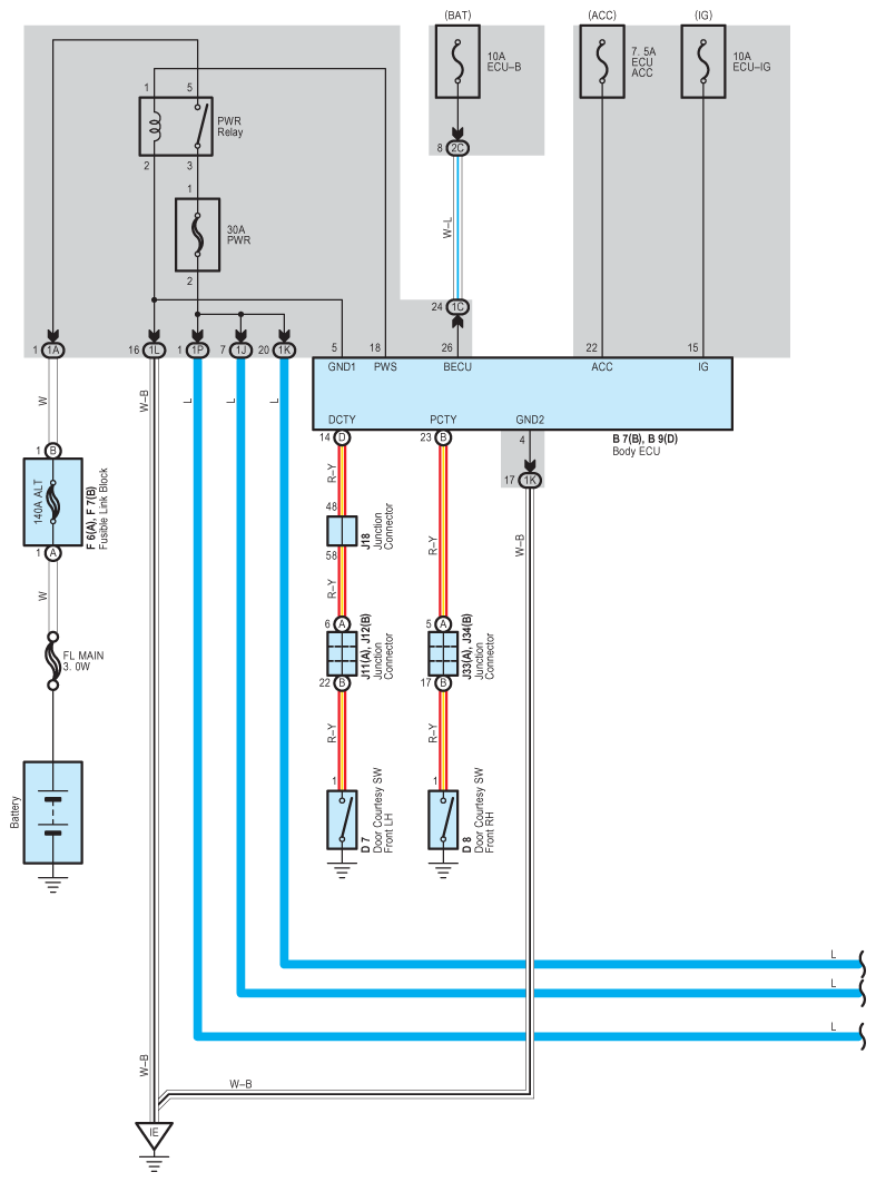
Fig 2: Power Window System (Without Jam Protection) Wiring Diagram (2 Of 3)
G08841959Courtesy of © TOYOTA, LICENSE AGREEMENT TMS1002
Fig 3: Power Window System (Without Jam Protection) Wiring Diagram (3 Of 3)
G08841960Courtesy of © TOYOTA, LICENSE AGREEMENT TMS1002