LEMON Manuals: Even more car manuals for everyone: 1960-2025
Home >> Toyota >> 2007 >> Tundra Base, 4.0 U >> Repair and Diagnosis >> Engine Performance >> Engine Control Systems >> Engine Control System (1GR-FE) - System Testing, On-Vehicle Inspection, Removal, Inspection & Installation >> VC Output Circuit >> Wiring Diagram
April 5, 2026: LEMON Manuals is launched! Read the announcement.

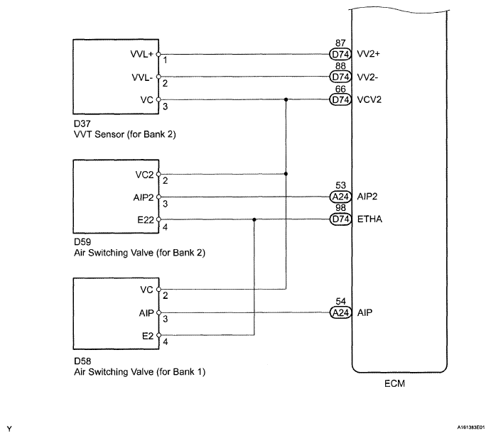
VC Output Circuit: Wiring Diagram

Fig 1: VC Output - Wiring Diagram (1 Of 2)
G05149519Courtesy of © TOYOTA, LICENSE AGREEMENT TMS1002
Fig 2: VC Output - Wiring Diagram (2 Of 2)
G05149520Courtesy of © TOYOTA, LICENSE AGREEMENT TMS1002