LEMON Manuals: Even more car manuals for everyone: 1960-2025
Home >> Toyota >> 2008 >> Avalon XLS >> Repair and Diagnosis (Single Page) >> Electrical >> Body Electrical >> OEM System Circuits >> Door Lock Control System >> Notes
April 5, 2026: LEMON Manuals is launched! Read the announcement.

Door Lock Control System: Notes

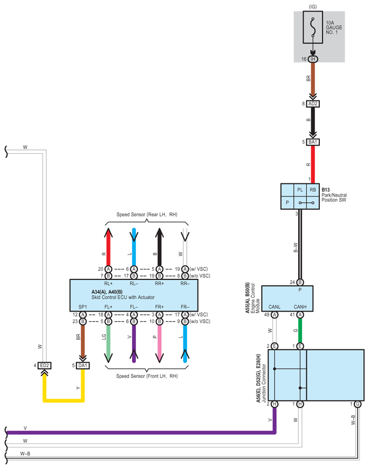
Fig 1: Door Lock Control - Circuit Diagram (1 Of 6)
G07616490Courtesy of © TOYOTA, LICENSE AGREEMENT TMS1002
Fig 2: Door Lock Control - Circuit Diagram (2 Of 6)
G07616491Courtesy of © TOYOTA, LICENSE AGREEMENT TMS1002
Fig 3: Door Lock Control - Circuit Diagram (3 Of 6)
G07616492Courtesy of © TOYOTA, LICENSE AGREEMENT TMS1002
Fig 4: Door Lock Control - Circuit Diagram (4 Of 6)
G07616493Courtesy of © TOYOTA, LICENSE AGREEMENT TMS1002
Fig 5: Door Lock Control - Circuit Diagram (5 Of 6)
G07616494Courtesy of © TOYOTA, LICENSE AGREEMENT TMS1002
Fig 6: Door Lock Control - Circuit Diagram (6 Of 6)
G07616495Courtesy of © TOYOTA, LICENSE AGREEMENT TMS1002