LEMON Manuals: Even more car manuals for everyone: 1960-2025
Home >> Toyota >> 2008 >> Avalon XLS >> Repair and Diagnosis (Single Page) >> Electrical >> Body Electrical >> OEM System Circuits >> Multi Display System without Navigation System >> Notes
April 5, 2026: LEMON Manuals is launched! Read the announcement.

Multi Display System without Navigation System: Notes

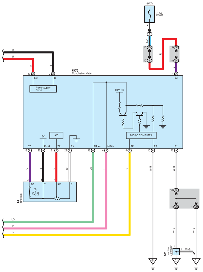
Fig 1: Multi Display Without Navigation System - Circuit Diagram (1 Of 3)
G07616612Courtesy of © TOYOTA, LICENSE AGREEMENT TMS1002
Fig 2: Multi Display Without Navigation System - Circuit Diagram (2 Of 3)
G07616613Courtesy of © TOYOTA, LICENSE AGREEMENT TMS1002
Fig 3: Multi Display Without Navigation System - Circuit Diagram (3 Of 3)
G07616614Courtesy of © TOYOTA, LICENSE AGREEMENT TMS1002