LEMON Manuals: Even more car manuals for everyone: 1960-2025
Home >> Toyota >> 2008 >> Camry Base, Standard >> Repair and Diagnosis (Single Page) >> Electrical >> Body Electrical >> OEM System Circuits (Except Hybrid) >> Wireless Door Lock Control System without Smart Key System >> Notes
April 5, 2026: LEMON Manuals is launched! Read the announcement.

Wireless Door Lock Control System without Smart Key System: Notes

Fig 1: Wireless Door Lock Control Without Smart Key System - Circuit Diagram (1 Of 4)
G07603468Courtesy of © TOYOTA, LICENSE AGREEMENT TMS1002
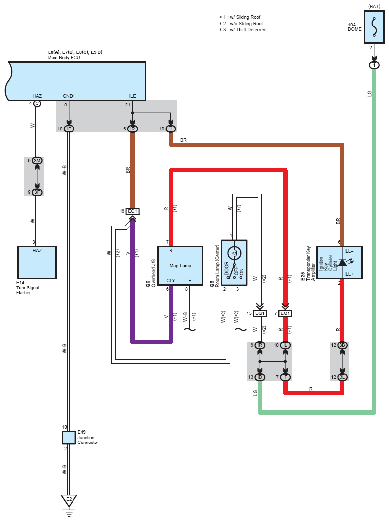
Fig 2: Wireless Door Lock Control Without Smart Key System - Circuit Diagram (2 Of 4)
G07603469Courtesy of © TOYOTA, LICENSE AGREEMENT TMS1002
Fig 3: Wireless Door Lock Control Without Smart Key System - Circuit Diagram (3 Of 4)
G07603470Courtesy of © TOYOTA, LICENSE AGREEMENT TMS1002
Fig 4: Wireless Door Lock Control Without Smart Key System - Circuit Diagram (4 Of 4)
G07603471Courtesy of © TOYOTA, LICENSE AGREEMENT TMS1002