LEMON Manuals: Even more car manuals for everyone: 1960-2025
Home >> Toyota >> 2008 >> Corolla LE, Standard >> Repair and Diagnosis (Single Page) >> Electrical >> Body Electrical >> OEM System Circuits >> Back-Up Light System >> Notes
April 5, 2026: LEMON Manuals is launched! Read the announcement.

Back-Up Light System: Notes

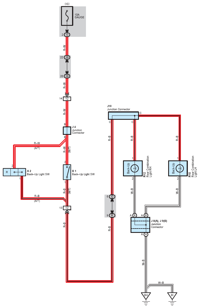
Fig 1: Back-Up Light - Circuit Diagram
G07604072Courtesy of © TOYOTA, LICENSE AGREEMENT TMS1002