LEMON Manuals: Even more car manuals for everyone: 1960-2025
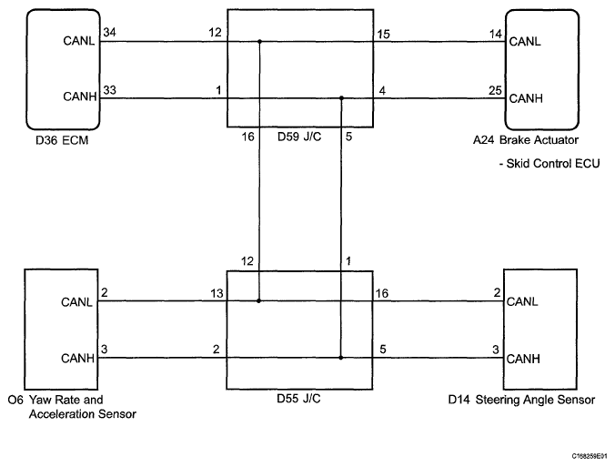
Home >> Toyota >> 2008 >> Highlander Base, AWD >> Repair and Diagnosis (Single Page) >> Brakes >> Traction Control >> Brake Control - Except Hybrid >> Vehicle Stability Control System >> DTC U0073, U0100, U0123, U0124, U0126: Control Module Communication Bus OFF; Lost Communication with ECM/PCM; Lost Communication with Yaw Rate Sensor Module; Lost Communication with Lateral Acceleration Sensor Module; Lost Communication with Steering Angle Sensor Module >> Wiring Diagram
April 5, 2026: LEMON Manuals is launched! Read the announcement.

DTC U0073, U0100, U0123, U0124, U0126: Control Module Communication Bus OFF; Lost Communication with ECM/PCM; Lost Communication with Yaw Rate Sensor Module; Lost Communication with Lateral Acceleration Sensor Module; Lost Communication with Steering Angle Sensor Module: Wiring Diagram

Fig 1: Identifying Yaw Rate & Acceleration Sensor Wiring Diagram
G05417767Courtesy of © TOYOTA, LICENSE AGREEMENT TMS1002