LEMON Manuals: Even more car manuals for everyone: 1960-2025
Home >> Toyota >> 2008 >> Highlander Base, AWD >> Repair and Diagnosis (Single Page) >> Electrical >> Fuses & Circuit Breakers >> OEM Junction Block, Ecu & Fuse/Relay Locations (Except Hybrid) >> Relay Block Identification >> Engine Room Relay Block Assembly And Engine Room Junction Block Assembly Inner Circuit
April 5, 2026: LEMON Manuals is launched! Read the announcement.

Engine Room Relay Block Assembly And Engine Room Junction Block Assembly Inner Circuit

Fig 1: Engine Room R/B Assembly And Engine Room J/B Assembly Inner Circuit Diagram (1 Of 4)
G07576509Courtesy of © TOYOTA, LICENSE AGREEMENT TMS1002
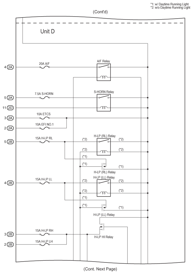
Fig 2: Engine Room R/B Assembly And Engine Room J/B Assembly Inner Circuit Diagram (2 Of 4)
G07576510Courtesy of © TOYOTA, LICENSE AGREEMENT TMS1002
Fig 3: Engine Room R/B Assembly And Engine Room J/B Assembly Inner Circuit Diagram (3 Of 4) With Relays
G07576511Courtesy of © TOYOTA, LICENSE AGREEMENT TMS1002
ENGINE ROOM R/B AND J/B INNER CIRCUIT RELAY IDENTIFICATION

RELAY DESCRIPTION
A/F Relay
S-Horn Relay
H-LP (RL) Relay
H-LP (RL) Relay
H-LP (LL) Relay
H-LP (LL) Relay
H-LP HI Relay
Fig 4: Engine Room R/B Assembly And Engine Room J/B Assembly Inner Circuit Diagram (4 Of 4) With Relays
G07576512Courtesy of © TOYOTA, LICENSE AGREEMENT TMS1002
ENGINE ROOM R/B AND J/B INNER CIRCUIT RELAY IDENTIFICATION

RELAY DESCRIPTION
Horn Relay
C/OPN Relay