LEMON Manuals: Even more car manuals for everyone: 1960-2025
Home >> Toyota >> 2008 >> Land Cruiser >> Repair and Diagnosis >> Electrical >> Body Electrical >> OEM System Circuits >> Headlight System >> Notes
April 5, 2026: LEMON Manuals is launched! Read the announcement.

Headlight System: Notes

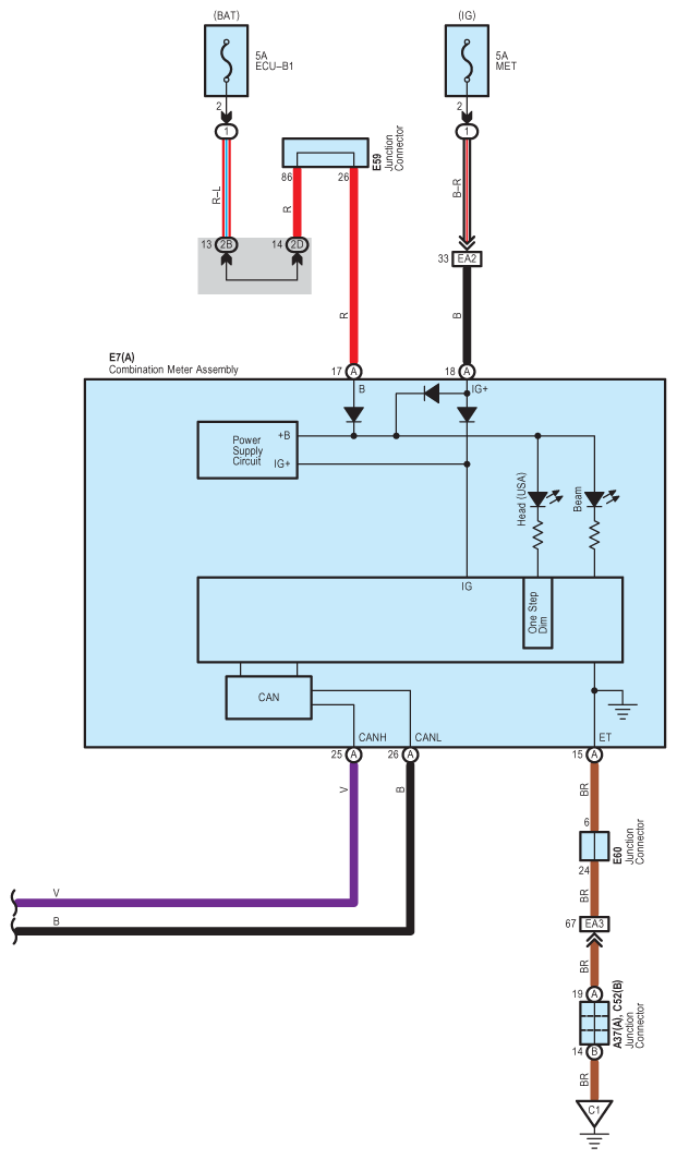
Fig 1: Headlight - Circuit Diagram (1 Of 5)
G07600164Courtesy of © TOYOTA, LICENSE AGREEMENT TMS1002
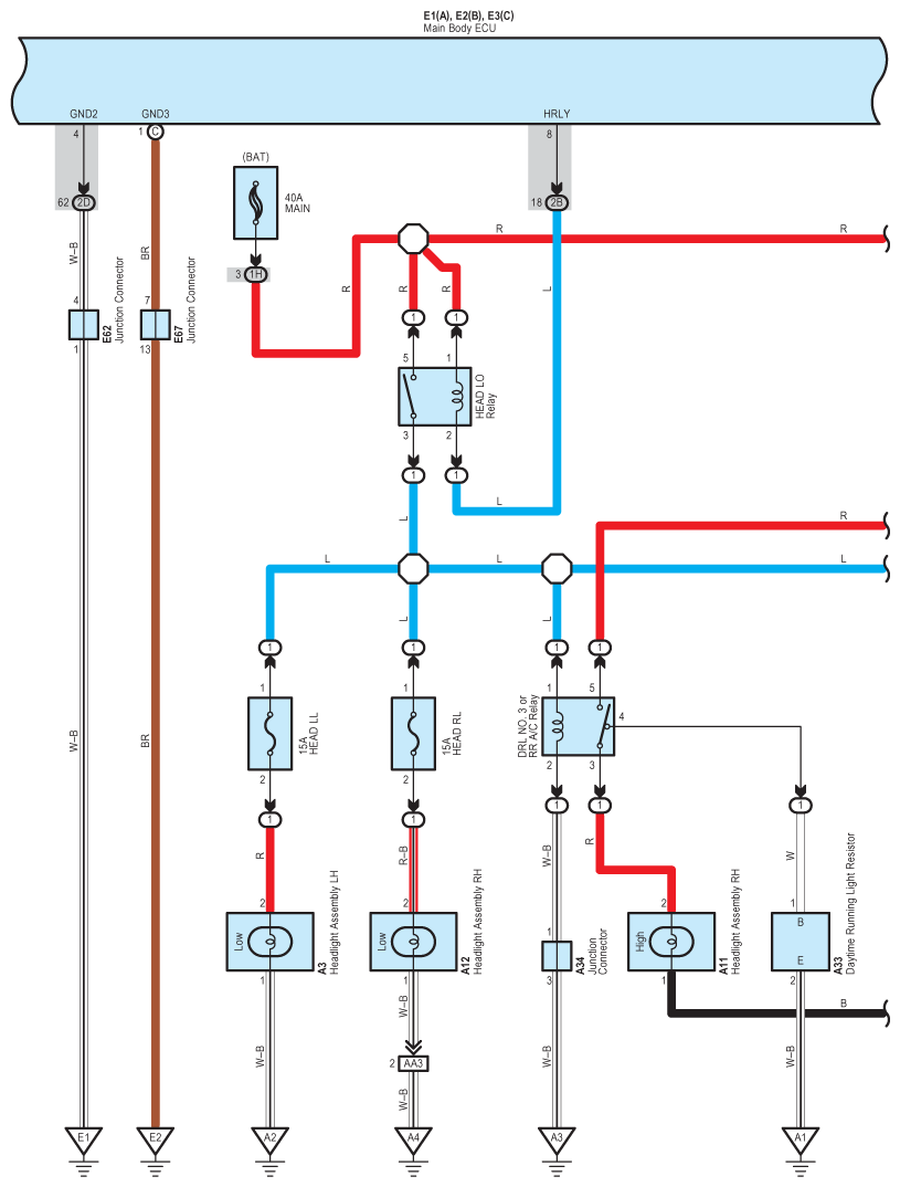
Fig 2: Headlight - Circuit Diagram (2 Of 5)
G07600165Courtesy of © TOYOTA, LICENSE AGREEMENT TMS1002
Fig 3: Headlight - Circuit Diagram (3 Of 5)
G07600166Courtesy of © TOYOTA, LICENSE AGREEMENT TMS1002
Fig 4: Headlight - Circuit Diagram (4 Of 5)
G07600167Courtesy of © TOYOTA, LICENSE AGREEMENT TMS1002
Fig 5: Headlight - Circuit Diagram (5 Of 5)
G07600168Courtesy of © TOYOTA, LICENSE AGREEMENT TMS1002