LEMON Manuals: Even more car manuals for everyone: 1960-2025
Home >> Toyota >> 2008 >> Land Cruiser >> Repair and Diagnosis >> Electrical >> Body Electrical >> OEM System Circuits >> Tire Pressure Warning System >> Notes
April 5, 2026: LEMON Manuals is launched! Read the announcement.

Tire Pressure Warning System: Notes

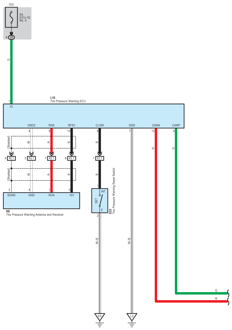
Fig 1: Tire Pressure Warning System - Circuit Diagram (1 Of 5)
G07600285Courtesy of © TOYOTA, LICENSE AGREEMENT TMS1002
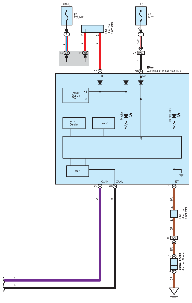
Fig 2: Tire Pressure Warning System - Circuit Diagram (2 Of 5)
G07600286Courtesy of © TOYOTA, LICENSE AGREEMENT TMS1002
Fig 3: Tire Pressure Warning System - Circuit Diagram (3 Of 5)
G07600287Courtesy of © TOYOTA, LICENSE AGREEMENT TMS1002
Fig 4: Tire Pressure Warning System - Circuit Diagram (4 Of 5)
G07600288Courtesy of © TOYOTA, LICENSE AGREEMENT TMS1002
Fig 5: Tire Pressure Warning System - Circuit Diagram (5 Of 5)
G07600289Courtesy of © TOYOTA, LICENSE AGREEMENT TMS1002