LEMON Manuals: Even more car manuals for everyone: 1960-2025
Home >> Toyota >> 2008 >> Land Cruiser >> Repair and Diagnosis >> Engine Performance >> Engine Control Systems >> Engine Control System - System & Component Testing, On-Vehicle Inspection, Removal & Installation >> Cranking Holding Function Circuit >> Wiring Diagram
April 5, 2026: LEMON Manuals is launched! Read the announcement.

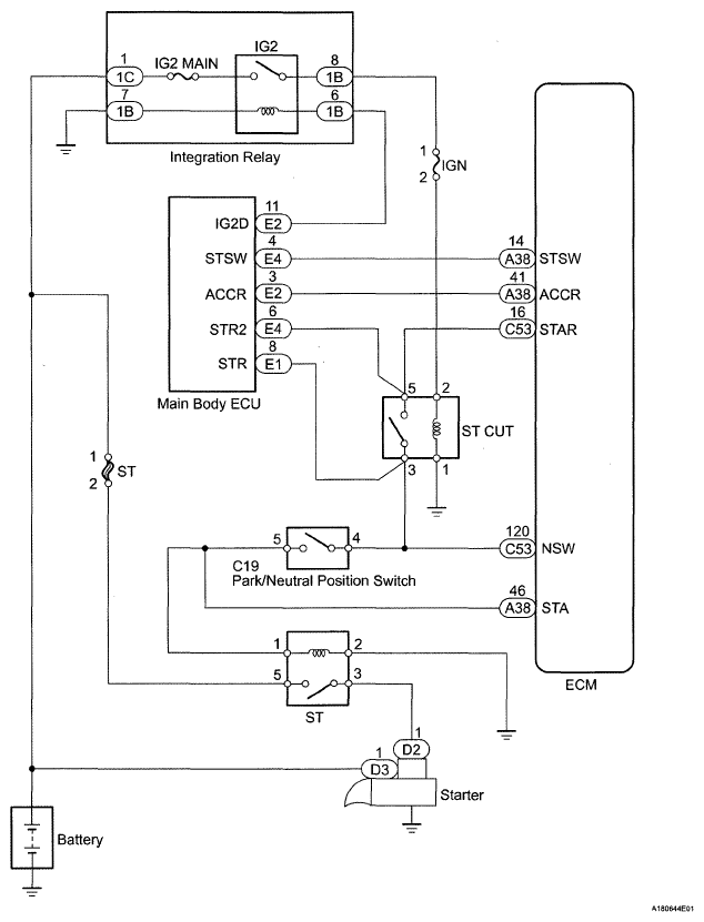
Cranking Holding Function Circuit: Wiring Diagram

Fig 1: Cranking Holding Function - Wiring Diagram
G05628180Courtesy of © TOYOTA, LICENSE AGREEMENT TMS1002