LEMON Manuals: Even more car manuals for everyone: 1960-2025
Home >> Toyota >> 2008 >> Land Cruiser >> Repair and Diagnosis >> Engine Performance >> Engine Control Systems >> Engine Control System - System & Component Testing, On-Vehicle Inspection, Removal & Installation >> Fuel Injector Circuit >> Wiring Diagram
April 5, 2026: LEMON Manuals is launched! Read the announcement.

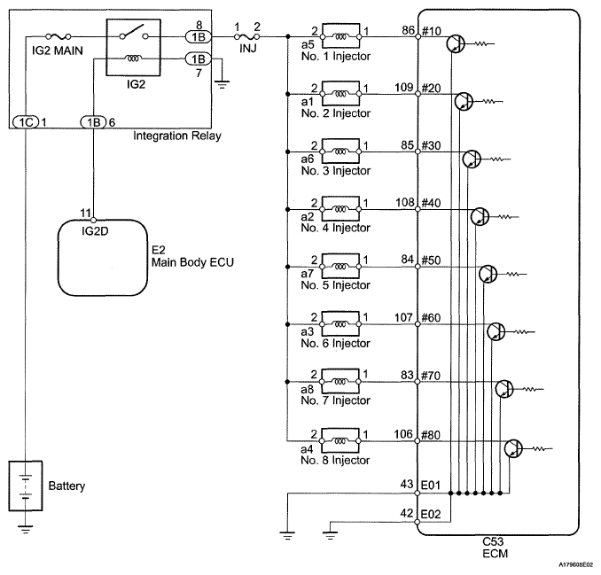
Fuel Injector Circuit: Wiring Diagram

Fig 1: Fuel Injector - Wiring Diagram
G05628175Courtesy of © TOYOTA, LICENSE AGREEMENT TMS1002