LEMON Manuals: Even more car manuals for everyone: 1960-2025
Home >> Toyota >> 2008 >> Matrix Base, Automatic >> Repair and Diagnosis (Single Page) >> Electrical >> Body Electrical >> OEM System Circuits >> ABS System without VSC >> Notes
April 5, 2026: LEMON Manuals is launched! Read the announcement.

ABS System without VSC: Notes

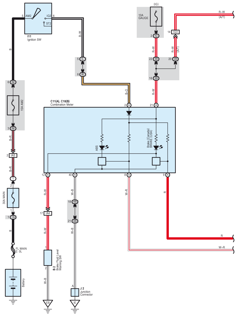
Fig 1: ABS Without VSC - Circuit Diagram (1 Of 2)
G07599208Courtesy of © TOYOTA, LICENSE AGREEMENT TMS1002
Fig 2: ABS Without VSC - Circuit Diagram (2 Of 2)
G07599209Courtesy of © TOYOTA, LICENSE AGREEMENT TMS1002