LEMON Manuals: Even more car manuals for everyone: 1960-2025
Home >> Toyota >> 2008 >> Matrix Base, Automatic >> Repair and Diagnosis (Single Page) >> Electrical >> Body Electrical >> OEM System Circuits >> Key Reminder and Light Reminder System >> Notes
April 5, 2026: LEMON Manuals is launched! Read the announcement.

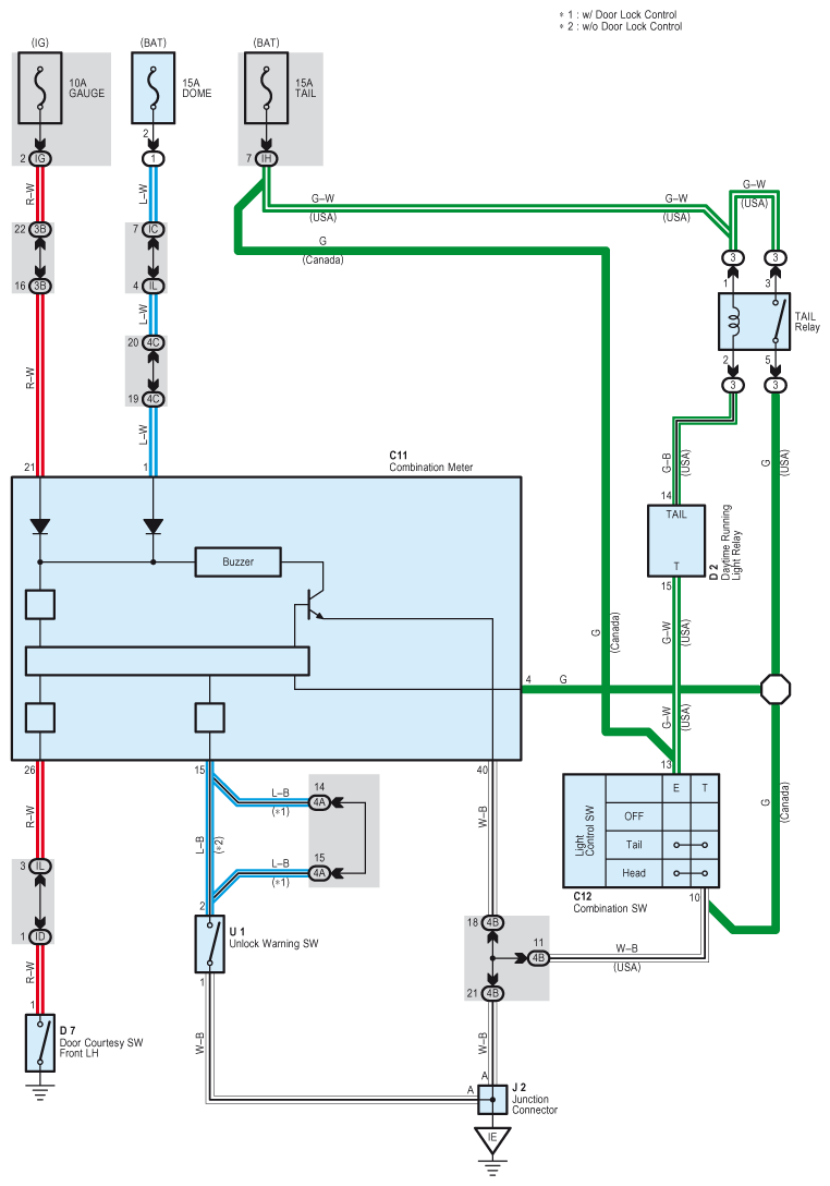
Key Reminder and Light Reminder System: Notes

Fig 1: Key Reminder And Light Reminder - Circuit Diagram
G07599218Courtesy of © TOYOTA, LICENSE AGREEMENT TMS1002