LEMON Manuals: Even more car manuals for everyone: 1960-2025
Home >> Toyota >> 2008 >> Matrix Base, Automatic >> Repair and Diagnosis (Single Page) >> Electrical >> Body Electrical >> OEM System Circuits >> Remote Control Mirror System >> Notes
April 5, 2026: LEMON Manuals is launched! Read the announcement.

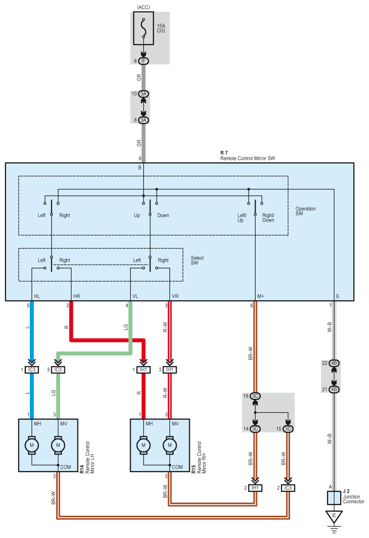
Remote Control Mirror System: Notes

Fig 1: Remote Control Mirror - Circuit Diagram
G07599177Courtesy of © TOYOTA, LICENSE AGREEMENT TMS1002