LEMON Manuals: Even more car manuals for everyone: 1960-2025
Home >> Toyota >> 2008 >> Matrix Base, Automatic >> Repair and Diagnosis (Single Page) >> Electrical >> Fuses & Circuit Breakers >> OEM Junction Block, Ecu & Fuse/Relay Locations >> Junction Block Fuse, Relay & Circuit Identification >> Instrument Panel Junction Block Inner Circuit
April 5, 2026: LEMON Manuals is launched! Read the announcement.

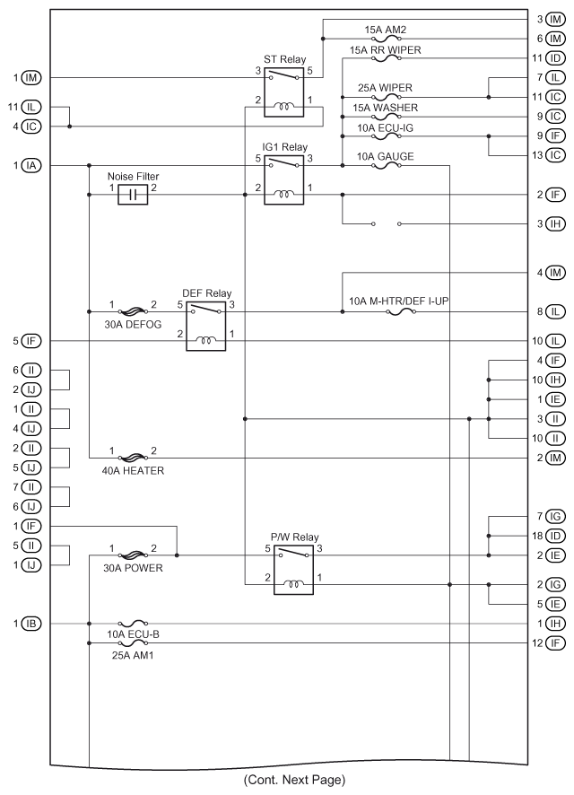
Instrument Panel Junction Block Inner Circuit

Fig 1: Instrument Panel J/B Inner Circuit Diagram (1 Of 2)
G07599118Courtesy of © TOYOTA, LICENSE AGREEMENT TMS1002
Fig 2: Instrument Panel J/B Inner Circuit Diagram (2 Of 2)
G07599119Courtesy of © TOYOTA, LICENSE AGREEMENT TMS1002