LEMON Manuals: Even more car manuals for everyone: 1960-2025
Home >> Toyota >> 2008 >> Matrix Base, Automatic >> Repair and Diagnosis (Single Page) >> Electrical >> Motors, Switches, Relays >> OEM System Circuits >> Power Window System >> Notes
April 5, 2026: LEMON Manuals is launched! Read the announcement.

Power Window System: Notes

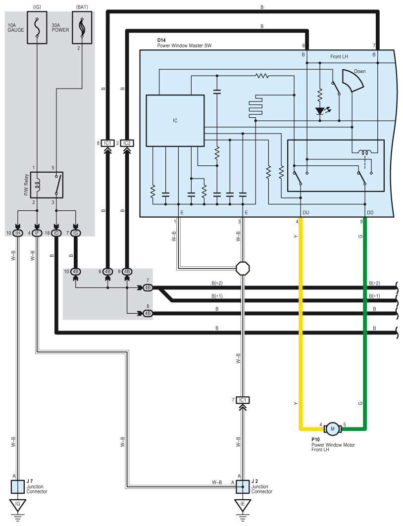
Fig 1: Power Window - Circuit Diagram (1 Of 2)
G07599179Courtesy of © TOYOTA, LICENSE AGREEMENT TMS1002
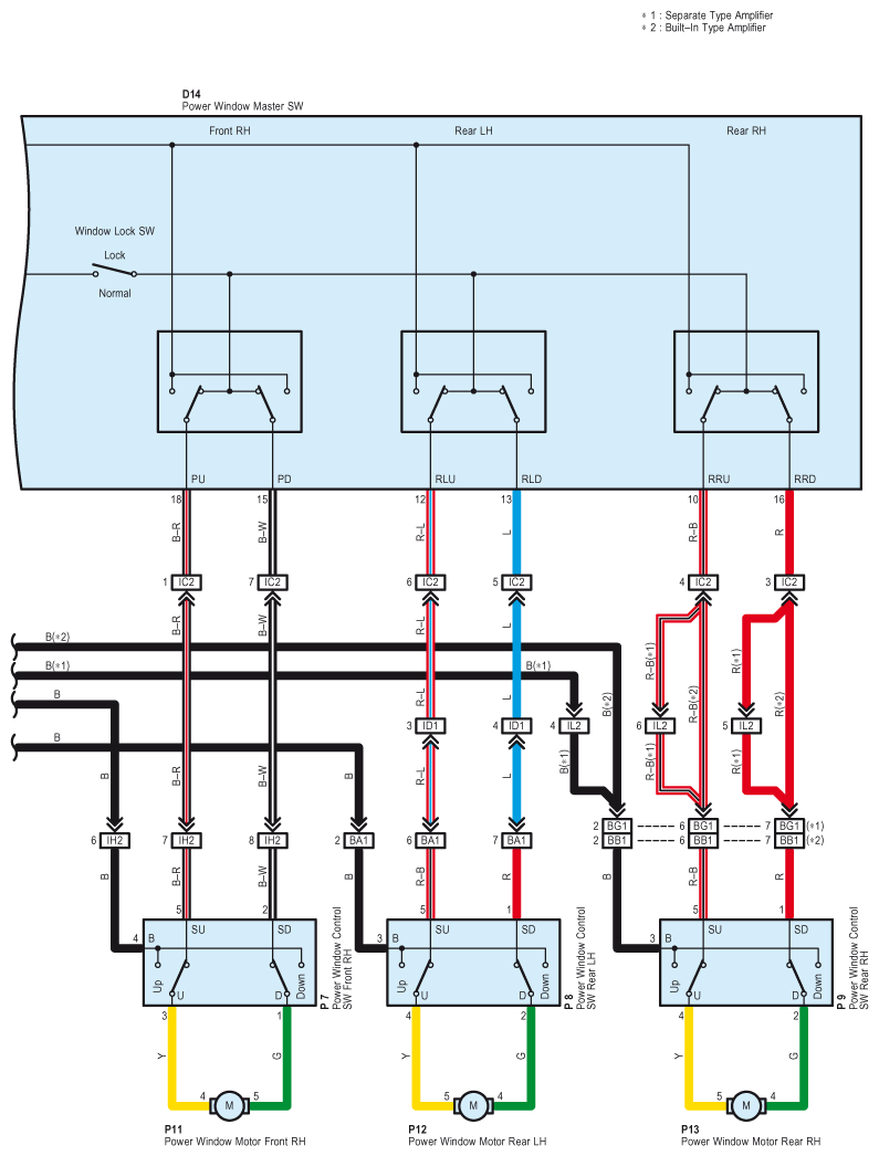
Fig 2: Power Window - Circuit Diagram (2 Of 2)
G07599180Courtesy of © TOYOTA, LICENSE AGREEMENT TMS1002