LEMON Manuals: Even more car manuals for everyone: 1960-2025
Home >> Toyota >> 2008 >> Matrix Base, Standard >> Repair and Diagnosis >> Electrical >> Body Electrical >> OEM System Circuits >> Taillight and Illumination System >> Notes
April 5, 2026: LEMON Manuals is launched! Read the announcement.

Taillight and Illumination System: Notes

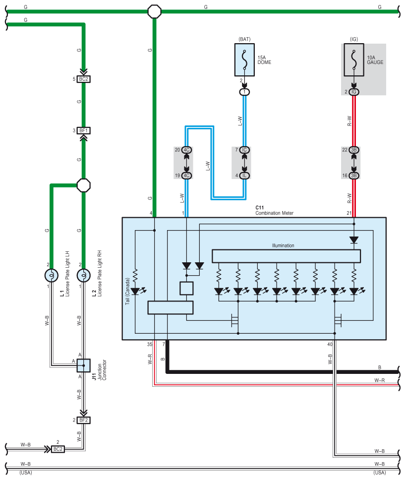
Fig 1: Taillight And Illumination - Circuit Diagram (1 Of 4)
G07599161Courtesy of © TOYOTA, LICENSE AGREEMENT TMS1002
Fig 2: Taillight And Illumination - Circuit Diagram (2 Of 4)
G07599162Courtesy of © TOYOTA, LICENSE AGREEMENT TMS1002
Fig 3: Taillight And Illumination - Circuit Diagram (3 Of 4)
G07599163Courtesy of © TOYOTA, LICENSE AGREEMENT TMS1002
Fig 4: Taillight And Illumination - Circuit Diagram (4 Of 4)
G07599164Courtesy of © TOYOTA, LICENSE AGREEMENT TMS1002