LEMON Manuals: Even more car manuals for everyone: 1960-2025
Home >> Toyota >> 2008 >> Matrix L4-1.8L (1ZZ-FE) >> Repair and Diagnosis >> Powertrain Management >> Computers and Control Systems >> Testing and Inspection >> Component Tests and General Diagnostics >> EVAP System >> Part 1
April 5, 2026: LEMON Manuals is launched! Read the announcement.

Part 1








1ZZ-FE ENGINE CONTROL SYSTEM: SFI SYSTEM: EVAP System

EVAP System

RELATED DTCS





If any EVAP system DTCs are set, the malfunctioning area can be determined using the table below.





NOTE: If the 0.02 inch reference pressure difference between the first and second checks is greater than the specification, the DTCs corresponding to the reference pressure (P043E, P043F, P0441, P0455, P0456, P2401, P2420) will be all stored.

DESCRIPTION









NOTE: In this vehicle's EVAP system, turning ON the vent valve does not seal off the EVAP system. To check for leaks in the EVAP system, disconnect the air inlet vent hose and apply pressure from the atmospheric side of the canister.

While the engine is running, if a predetermined condition (closed- loop, etc.) is met, the purge VSV is opened by the ECM and stored fuel vapors in the canister are purged to the intake manifold. The ECM changes the duty cycle ratio of the purge VSV to control purge flow volume.
The purge flow volume is also determined by the intake manifold pressure. Atmospheric pressure is allowed into the canister through the vent valve to ensure that the purge flow is maintained when the negative pressure (vacuum) is applied to the canister.
The following two monitors run to confirm appropriate EVAP system operation.
1. Key-off monitor
This monitor checks for EVAP (Evaporative Emission) system leaks and canister pump module malfunctions. The monitor starts 5 hours* after the ignition switch is turned OFF. At least 5 hours are required for the fuel to cool down to stabilize the EVAP pressure, thus making the EVAP system monitor more accurate.
The leak detection pump creates negative pressure (vacuum) in the EVAP system and the pressure is measured. Finally, the ECM monitors for leaks from the EVAP system, and malfunctions in both the canister pump module and purge VSV, based on the EVAP pressure.

HINT: *: If the engine coolant temperature is not below 35°C (95°F) 5 hours after the ignition switch is turned off, the monitor check starts 2 hours later. If it is still not below 35°C (95°F) 7 hours after the ignition switch is turned off, the monitor check starts 2.5 hours later.

2. Purge flow monitor
The purge flow monitor consists of the two monitors. The 1st monitor is conducted every time and the 2nd monitor is activated if necessary.

- The 1st monitor
While the engine is running and the purge VSV (Vacuum Switching Valve) is ON (open), the ECM monitors the purge flow by measuring the EVAP pressure change. If negative pressure is not created, the ECM begins the 2nd monitor.
- The 2nd monitor
The vent valve is turned OFF (open) and the EVAP pressure is measured. If the variation in the pressure is less than 0.5 kPa-g (3.75 mmHg-g), the ECM interprets this as the purge VSV being stuck closed, and illuminates the MIL and sets DTC P0441 (2 trip detection logic).

Atmospheric pressure check:
In order to ensure reliable malfunction detection, the variation between the atmospheric pressures, before and after conduction of the purge flow monitor, is measured by the ECM.





















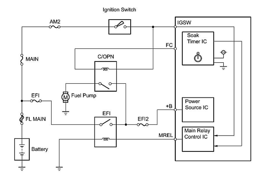
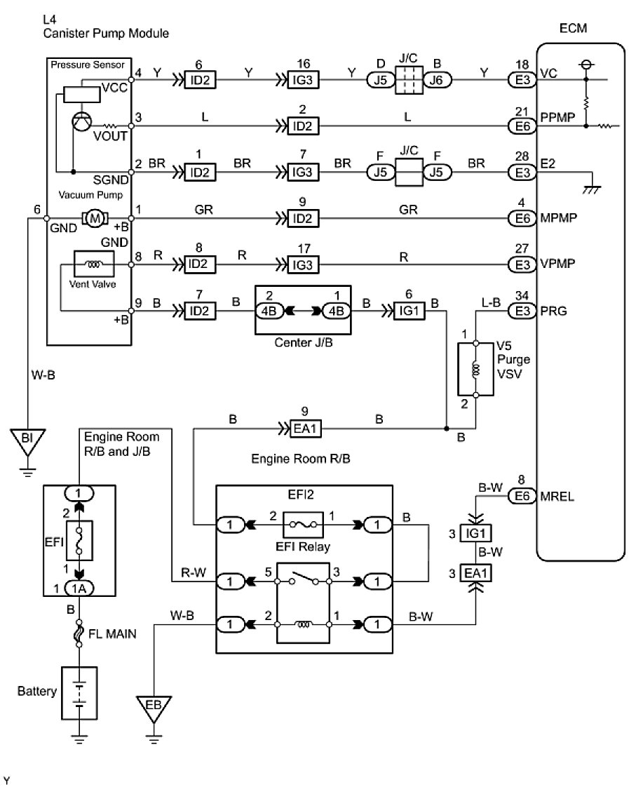
WIRING DIAGRAM





INSPECTION PROCEDURE

NOTE: Techstream is required to conduct the following diagnostic troubleshooting procedure.

HINT:
- Using Techstream monitor results enables the EVAP (Evaporative Emission) system to be confirmed.
- Read freeze frame data using Techstream. The ECM records vehicle and driving condition information as freeze frame data the moment a DTC is stored. When troubleshooting, freeze frame data can be helpful in determining whether the vehicle was running or stopped, whether the engine was warmed up or not, whether the air/fuel ratio was lean or rich, as well as other data recorded at the time of a malfunction.

PROCEDURE

1. CONFIRM DTC
(a) Turn the ignition switch OFF and wait for 10 seconds.
(b) Turn the ignition switch to the ON position.
(c) Turn the ignition switch OFF and wait for 10 seconds.
(d) Connect Techstream to the DLC3.
(e) Turn the ignition switch to the ON position and press Techstream switch on.
(f) Enter the following menus: Powertrain / Engine and ECT / Trouble Codes.
(g) Confirm DTCs and freeze frame data.
If any EVAP system DTCs are set, the malfunctioning area can be determined using the table below.





NOTE: If the reference pressure difference between the first and second checks is greater than the specification, the DTCs corresponding to the reference pressure (P043E, P043F, P0441, P0455, P0456, P2401 and P2420) will all be stored.

NEXT -- Continue to next step.
2. PERFORM EVAP SYSTEM CHECK (AUTO OPERATION)

NOTICE:
- In the Evaporative System Check (Automatic Mode), the series of 5 Evaporative System Check steps is performed automatically by Techstream. It takes a maximum of approximately 18 minutes.
- Do not perform the Evaporative System Check when the fuel tank is more than 90% full because the cut-off valve may be closed and making the leak check of the fuel tank unavailable.
- Do not run the engine in this step.
- When the temperature of the fuel is 35°C (95°F) or more, a large amount of vapor forms and any check results become inaccurate. When performing the Evaporative System Check, keep the temperature below 35°C (95°F).

(a) Clear the DTCs (DTC Check / Clear).
(b) On Techstream, select the following menu items: Powertrain / Engine and ECT / Utility / Evaporative System Check / Automatic Mode.
(c) After the Evaporative System Check is completed, check for pending DTCs by selecting the following menu items: Powertrain / Engine and ECT / Trouble Codes / Pending.

HINT: If no pending DTC is displayed, perform the Monitor Confirmation after the repair is completed. After this confirmation, check for pending DTCs. If no DTC is displayed, the EVAP system is normal.

NEXT -- Continue to next step.
3. PERFORM EVAP SYSTEM CHECK (MANUAL OPERATION)





NOTICE:
- In the Evaporative System Check (Manual Mode), the series of 5 Evaporative System Check steps is performed manually by Techstream.
- Do not perform the Evaporative System Check when the fuel tank is more than 90% full because the cut-off valve may be closed, making the leak check of the fuel tank unavailable.
- Do not run the engine in this step.
- When the temperature of the fuel is 35°C (95°F) or more, a large amount of vapor forms and any check results become inaccurate. When performing the Evaporative System Check, keep the temperature below 35°C (95°F).

(a) Clear the DTCs (DTC Check / Clear).
(b) On Techstream, select the following menu items: Powertrain / Engine and ECT / Utility / Evaporative System Check / Manual Mode.
NEXT -- Continue to next step.
4. PERFORM EVAP SYSTEM CHECK (STEP 1/5)





(a) Check the EVAP pressure in step 1/5.
Result:





*: The DTCs relating to the EVAP system are displayed on Techstream when checking.
B -- REPLACE CHARCOAL CANISTER ASSEMBLY
A -- Continue to next step.
5. PERFORM EVAP SYSTEM CHECK (STEP 1/5 TO 2/5)





(a) Check the EVAP pressure in step 1/5 and 2/5.
Result:





*: These DTCs are already present in the ECM when the vehicle arrives and are confirmed in step 1.

HINT: The first reference pressure is the value determined in step 2/5.

B -- PERFORM ACTIVE TEST BY TECHSTREAM (FOR PUMP MODULE (VACUUM PUMP))
A -- Continue to next step.
6. PERFORM EVAP SYSTEM CHECK (STEP 2/5)





HINT: Make a note of the pressures checked in the procedure "A" and "B" below.

(a) Check the EVAP pressure 4 seconds after the leak detection pump is activated* (Procedure "A").
(b) Check the EVAP pressure again when it has stabilized. This pressure is the reference pressure (Procedure "B").
*: The leak detection pump begins to operate as step 1/5 finishes and step 2/5 starts.
Result:





*: These DTCs are already present in the ECM when the vehicle arrives and are confirmed in step 1.
D -- INSPECT PUMP MODULE (VENT VALVE OPERATION)
C -- REPLACE CHARCOAL CANISTER ASSEMBLY
B -- PERFORM EVAP SYSTEM CHECK (STEP 3/5)
A -- Continue to next step.
7. PERFORM EVAP SYSTEM CHECK (STEP 2/5 TO 3/5)





(a) Check the EVAP pressure in step 3/5.
Result:





*: These DTCs are already present in the ECM when the vehicle arrives and are confirmed in step 1.
C -- REPLACE CHARCOAL CANISTER ASSEMBLY
B -- PERFORM ACTIVE TEST BY TECHSTREAM (FOR VENT VALVE)
A -- Continue to next step.
8. PERFORM EVAP SYSTEM CHECK (STEP 3/5)





(a) Wait until the EVAP pressure change is less than 0.1 kPa (0.75 mmHg) for 30 seconds.
(b) Measure the EVAP pressure and record it.

HINT: A few minutes are required for the EVAP pressure to become saturated. When there is little fuel in the fuel tank, it takes up to 15 minutes.

NEXT -- Continue to next step.
9. PERFORM EVAP SYSTEM CHECK (STEP 4/5)





(a) Check the EVAP pressure in step 4/5.
Result:





*: These DTCs are already present in the ECM when the vehicle arrives and are confirmed in step 1.
C -- PERFORM ACTIVE TEST BY TECHSTREAM (PURGE VSV)
B -- CHECK EVAP HOSE (PURGE VSV - THROTTLE BODY)
A -- Continue to next step.
10. PERFORM EVAP SYSTEM CHECK (STEP 5/5)





(a) Check the EVAP pressure in step 5/5.
(b) Compare the EVAP pressure in step 3/5 and the second reference pressure standard (step 5/5).
Result:





*: These DTCs are already present in the ECM when the vehicle arrives and are confirmed in step 1.
B -- PERFORM ACTIVE TEST BY TECHSTREAM (PURGE VSV)
A -- REPAIR OR REPLACE PARTS AND COMPONENTS INDICATED BY OUTPUT DTCS
11. PERFORM EVAP SYSTEM CHECK (STEP 3/5)





(a) Check the EVAP pressure in step 3/5.
Result:





*: These DTCs are already present in the ECM when the vehicle arrives and are confirmed in step 1.

HINT: The first reference pressure is the value determined in step 2/5.

B -- PERFORM ACTIVE TEST BY TECHSTREAM (FOR PUMP MODULE (VACUUM PUMP))
A -- REPLACE CHARCOAL CANISTER ASSEMBLY
12. PERFORM ACTIVE TEST BY TECHSTREAM (PURGE VSV)





(a) On Techstream, select the following menu items: Powertrain / Engine and ECT / Active Test / Activate the VSV for EVAP Control.
(b) Disconnect the hose (connected to the canister) from the purge VSV.
(c) Start the engine.
(d) On the tester, turn off the purge VSV (EVAP VSV: OFF).
(e) Use your finger to confirm that the purge VSV has no suction.
(f) Using the tester, turn on the purge VSV (EVAP VSV: ON).
(g) Use your finger to confirm that the purge VSV has suction.
Result:





(h) Reconnect the hose.
C -- CHECK EVAP HOSE (PURGE VSV - THROTTLE BODY)
B -- INSPECT VACUUM SWITCHING VALVE ASSEMBLY NO. 1
A -- Continue to next step.
13. CHECK FUEL TANK CAP ASSEMBLY
(a) Check that the fuel tank cap is correctly installed.
(b) Confirm that the fuel tank cap is tightened until a few click sounds are heard.

HINT: If an EVAP tester is available, check the fuel tank cap using the tester.

(1) Remove the fuel tank cap and install it onto a fuel tank cap adaptor.
(2) Connect an EVAP tester pump hose to the adaptor, and pressurize to 3.2 to 3.7 kPa (24 to 28 mmHg) using an EVAP tester pump.
(3) Seal the adaptor and wait for 2 minutes.
(4) Check the pressure. If the pressure is 2 kPa (15 mmHg) or more, the fuel tank cap is normal.
(5) Reinstall the fuel tank cap.
Result:





C -- REPLACE FUEL TANK CAP ASSEMBLY
B -- CORRECTLY REINSTALL OR REPLACE FUEL TANK CAP
A -- REPAIR EVAP LEAK PART
14. INSPECT VACUUM SWITCHING VALVE ASSEMBLY NO. 1





(a) Turn the ignition switch OFF.
(b) Disconnect the purge VSV connector.
(c) Disconnect the hose (connected to the canister) from the purge VSV.
(d) Start the engine.
(e) Use your finger to confirm that the purge VSV has no suction.
Result:





(f) Reconnect the purge VSV connector.
(g) Reconnect the hose.
B -- REPLACE VACUUM SWITCHING VALVE ASSEMBLY NO. 1 (PURGE VSV)
A -- REPLACE ECM