LEMON Manuals: Even more car manuals for everyone: 1960-2025
Home >> Toyota >> 2008 >> Prius Base >> Repair and Diagnosis >> Electrical >> Body Electrical >> OEM System Circuits >> ABS, TRAC and VSC System >> Notes
April 5, 2026: LEMON Manuals is launched! Read the announcement.

ABS, TRAC and VSC System: Notes

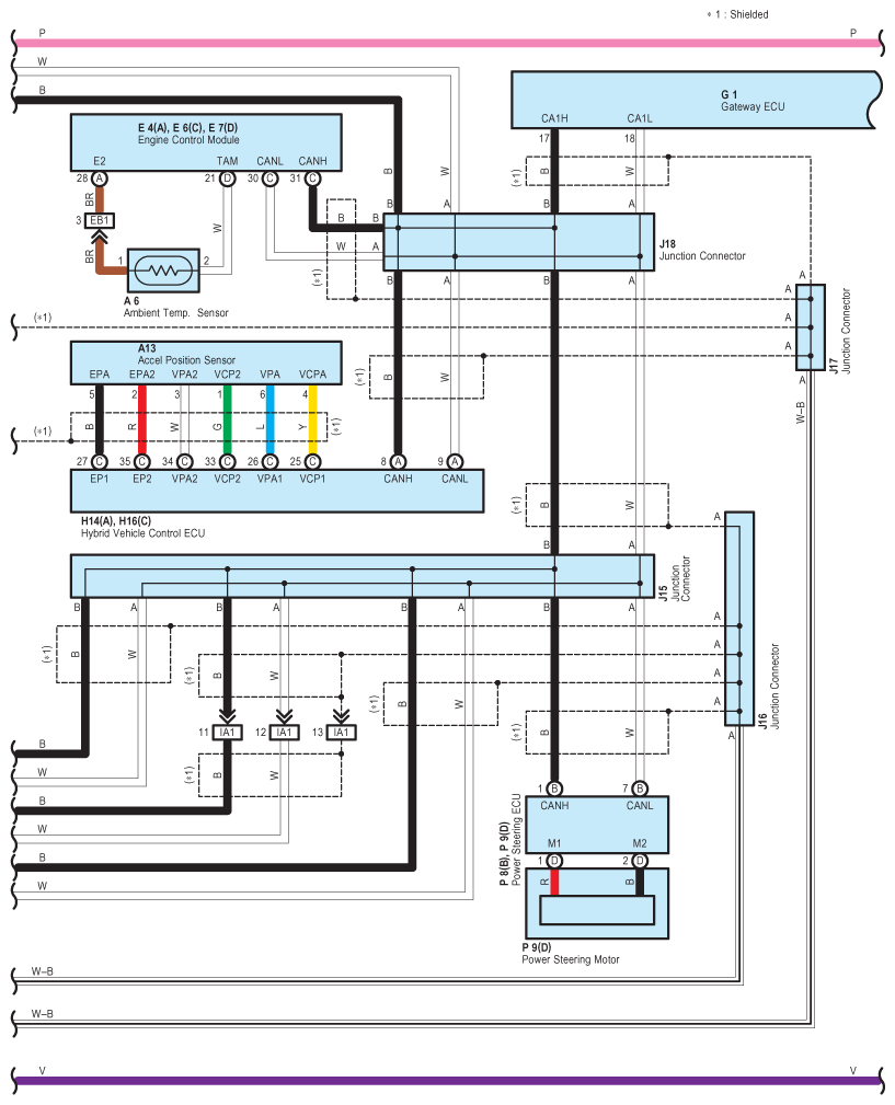
Fig 1: ABS, TRAC And VSC - Circuit Diagram (1 Of 10)
G07577089Courtesy of © TOYOTA, LICENSE AGREEMENT TMS1002
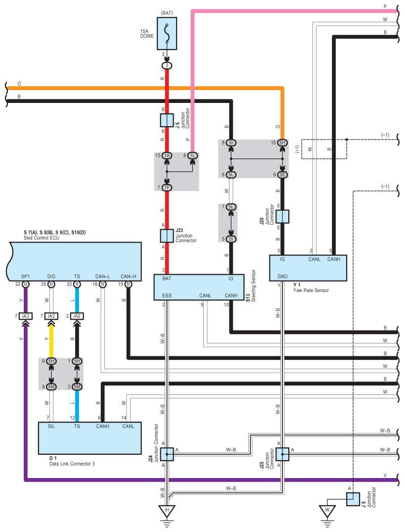
Fig 2: ABS, TRAC And VSC - Circuit Diagram (2 Of 10)
G07577090Courtesy of © TOYOTA, LICENSE AGREEMENT TMS1002
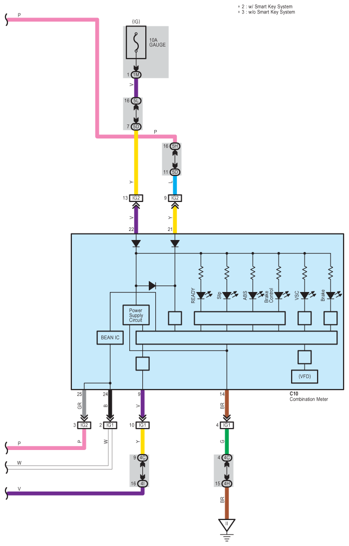
Fig 3: ABS, TRAC And VSC - Circuit Diagram (3 Of 10)
G07577091Courtesy of © TOYOTA, LICENSE AGREEMENT TMS1002
Fig 4: ABS, TRAC And VSC - Circuit Diagram (4 Of 10)
G07577092Courtesy of © TOYOTA, LICENSE AGREEMENT TMS1002
Fig 5: ABS, TRAC And VSC - Circuit Diagram (5 Of 10)
G07577093Courtesy of © TOYOTA, LICENSE AGREEMENT TMS1002
Fig 6: ABS, TRAC And VSC - Circuit Diagram (6 Of 10)
G07577094Courtesy of © TOYOTA, LICENSE AGREEMENT TMS1002
Fig 7: ABS, TRAC And VSC - Circuit Diagram (7 Of 10)
G07577095Courtesy of © TOYOTA, LICENSE AGREEMENT TMS1002
Fig 8: ABS, TRAC And VSC - Circuit Diagram (8 Of 10)
G07577096Courtesy of © TOYOTA, LICENSE AGREEMENT TMS1002
Fig 9: ABS, TRAC And VSC - Circuit Diagram (9 Of 10)
G07577097Courtesy of © TOYOTA, LICENSE AGREEMENT TMS1002
Fig 10: ABS, TRAC And VSC - Circuit Diagram (10 Of 10)
G07577098Courtesy of © TOYOTA, LICENSE AGREEMENT TMS1002