LEMON Manuals: Even more car manuals for everyone: 1960-2025
Home >> Toyota >> 2008 >> Prius Base >> Repair and Diagnosis >> Electrical >> Body Electrical >> OEM System Circuits >> EPS System >> Notes
April 5, 2026: LEMON Manuals is launched! Read the announcement.

EPS System: Notes

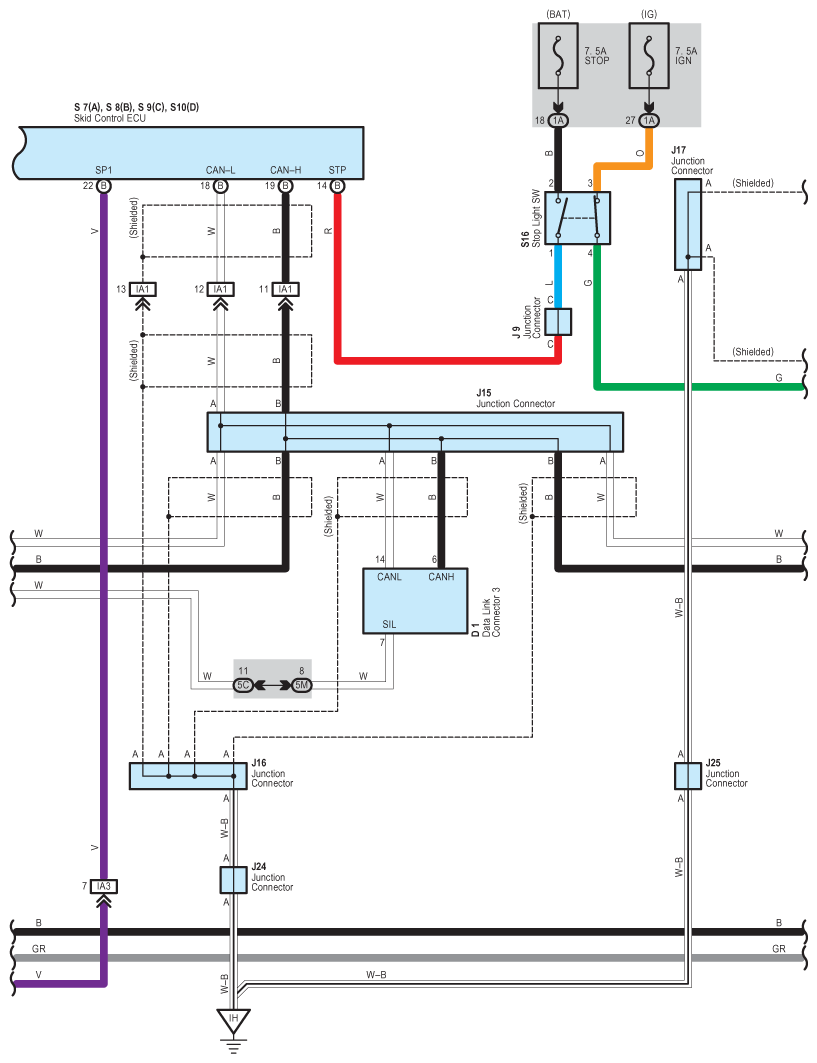
Fig 1: EPS - Circuit Diagram (1 Of 4)
G07577085Courtesy of © TOYOTA, LICENSE AGREEMENT TMS1002
Fig 2: EPS - Circuit Diagram (2 Of 4)
G07577086Courtesy of © TOYOTA, LICENSE AGREEMENT TMS1002
Fig 3: EPS - Circuit Diagram (3 Of 4)
G07577087Courtesy of © TOYOTA, LICENSE AGREEMENT TMS1002
Fig 4: EPS - Circuit Diagram (4 Of 4)
G07577088Courtesy of © TOYOTA, LICENSE AGREEMENT TMS1002