LEMON Manuals: Even more car manuals for everyone: 1960-2025
Home >> Toyota >> 2008 >> Prius Base >> Repair and Diagnosis >> Engine Performance >> Engine Control System >> SFI System >> VC Output Circuit >> Wiring Diagram
April 5, 2026: LEMON Manuals is launched! Read the announcement.

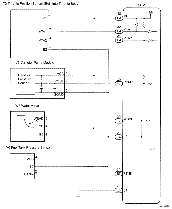
VC Output Circuit: Wiring Diagram

Fig 1: T3 Throttle Position Sensor And ECM - Wiring Diagram
G05188970Courtesy of © TOYOTA, LICENSE AGREEMENT TMS1002