LEMON Manuals: Even more car manuals for everyone: 1960-2025
Home >> Toyota >> 2008 >> RAV4 Base, 2.4 D, AWD >> Repair and Diagnosis >> Body & Frame >> Windows >> Windshield/Window Glass >> Power Window Control System >> Driver Side Power Window Auto Up / Down Function does not Operate with Power Window Master Switch >> Wiring Diagram
April 5, 2026: LEMON Manuals is launched! Read the announcement.

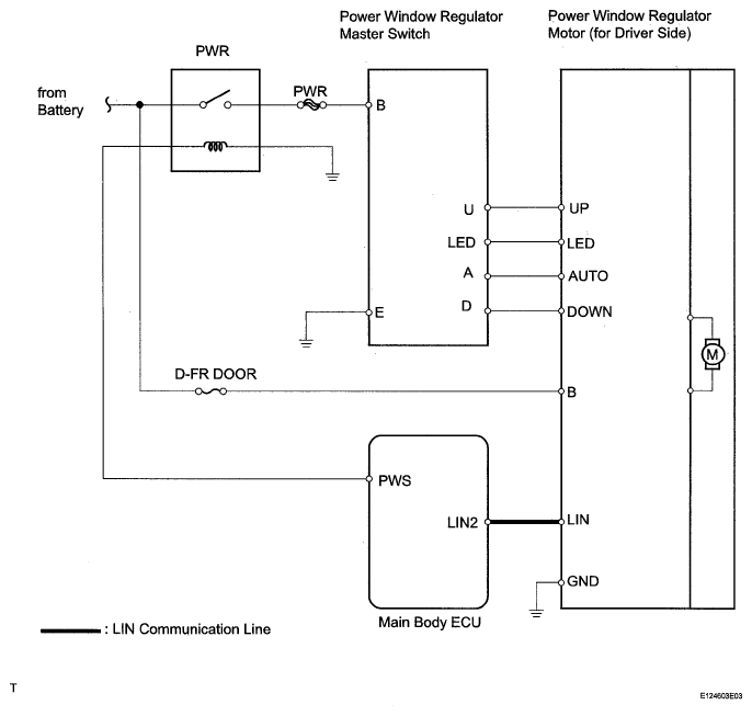
Driver Side Power Window Auto Up / Down Function does not Operate with Power Window Master Switch: Wiring Diagram

Fig 1: Identifying Driver Side Door Master Switch Malfunction - Wiring Diagram
G05586446Courtesy of © TOYOTA, LICENSE AGREEMENT TMS1002