LEMON Manuals: Even more car manuals for everyone: 1960-2025
Home >> Toyota >> 2008 >> RAV4 Base, 2.4 D, AWD >> Repair and Diagnosis >> Body & Frame >> Windows >> Windshield/Window Glass >> Power Window Control System >> Driver Side Power Window does not Operate with Power Window Master Switch >> Wiring Diagram
April 5, 2026: LEMON Manuals is launched! Read the announcement.

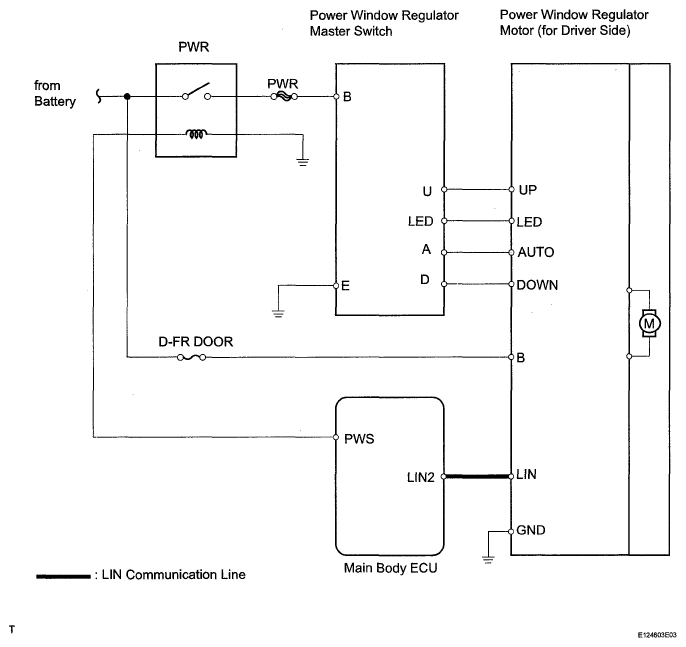
Driver Side Power Window does not Operate with Power Window Master Switch: Wiring Diagram

Fig 1: Identifying Power Window Master Switch - Wiring Diagram
G05586453Courtesy of © TOYOTA, LICENSE AGREEMENT TMS1002