LEMON Manuals: Even more car manuals for everyone: 1960-2025
Home >> Toyota >> 2008 >> RAV4 Base, 2.4 D, AWD >> Repair and Diagnosis >> Engine Performance >> Engine Control System (2AZ-FE) >> SFI System >> ECM Power Source Circuit >> Inspection Procedure
April 5, 2026: LEMON Manuals is launched! Read the announcement.

Inspection Procedure

  1. INSPECT FUSES (P/I, AM2, IG2, EFI MAIN, IGN) 
    1. Remove the P/I fuse, AM2 fuse, IG2 fuse and EFI MAIN fuse from the engine room No. 1 relay block.
      Fig 1: Identifying P/I Fuse, AM2 Fuse, IG2 Fuse And EFI MAIN Fuse
      G05183768Courtesy of © TOYOTA, LICENSE AGREEMENT TMS1002
    2. Remove the IGN fuse from the instrument panel junction block.
    3. Fig 2: Identifying IGN Fuse
      G05183769Courtesy of © TOYOTA, LICENSE AGREEMENT TMS1002
    4. Measure the resistance of the fuses.

      Standard resistance: 

      Below 1Ω 

    5. Reinstall the fuses.

    NG: CHECK FOR SHORT IN ALL HARNESSES AND CONNECTORS CONNECTED TO FUSE AND REPLACE FUSE 

    OK: Go to next step 

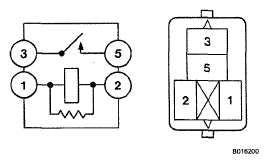
  2. INSPECT RELAY (IG2, EFI MAIN) 
    1. Remove the integration relay and IG2 relay from the engine room No. 1 relay block.
    2. Fig 3: Identifying IG2 Relay Terminals
      G05183483Courtesy of © TOYOTA, LICENSE AGREEMENT TMS1002
    3. Measure the resistance between the terminal of the integration relay.

      Standard resistance 

      RESISTANCE SPECIFICATION

      Tester Connections Specified Conditions
      1C-1 - 1A-4 10 kΩ or higher
      Below 1 Ω
      (When battery voltage is applied to terminals 1A-2 and 1A-3)
    4. Measure the resistance between the terminal of the IG2 relay.
      Fig 4: Identifying IG2 Relay Terminals
      G05553661Courtesy of © TOYOTA, LICENSE AGREEMENT TMS1002

      Standard resistance 

      RESISTANCE SPECIFICATION

      Tester Connections Specified Conditions
      3 - 5 10 kΩ or higher
      Below 1 Ω
      (When battery voltage is applied to terminals 1 and 2)
    5. Reinstall the relay.

    NG: REPLACE RELAY 

    OK: Go to next step 

  3. CHECK HARNESS AND CONNECTOR (ECM - BODY GROUND) 
    1. Disconnect the B30 ECM connector.
    2. Fig 5: Identifying B30 ECM Connector Terminal
      G05183772Courtesy of © TOYOTA, LICENSE AGREEMENT TMS1002
    3. Measure the resistance.

      Standard resistance 

      RESISTANCE SPECIFICATION

      Tester Connection Specified Condition
      B30-104 (E1) - Body ground Below 1 Ω
    4. Reconnect the ECM connector.

    NG: REPAIR OR REPLACE HARNESS OR CONNECTOR 

    OK: Go to next step 

  4. INSPECT ECM (IGSW VOLTAGE) 
    1. Disconnect the B30 and A9 ECM connectors.
      Fig 6: Identifying B30 And A9 ECM Connectors Terminal
      G05183773Courtesy of © TOYOTA, LICENSE AGREEMENT TMS1002
    2. Turn the ignition switch ON.
    3. Measure the voltage between the terminals of the B30 and A9 ECM connectors.

      Standard voltage 

      VOLTAGE SPECIFICATION

      Tester Connections Specified Conditions
      A9-28 (IGSW) - B30-104 (E1) 9 to 14 V
    4. Reconnect the ECM connector.

    OK: REPLACE ECM 

    NG: Go to next step 

  5. CHECK HARNESS AND CONNECTOR (RELAY BLOCK - ECM, IGNITION SWITCH, BATTERY) 
    1. Disconnect the A9 ECM connector.
      Fig 7: Identifying A9 ECM Connector Terminal
      G05183774Courtesy of © TOYOTA, LICENSE AGREEMENT TMS1002
    2. Disconnect the E3 ignition switch connector.
    3. Fig 8: Identifying E3 Ignition Switch Connector Terminals
      G05581708Courtesy of © TOYOTA, LICENSE AGREEMENT TMS1002
    4. Disconnect the battery positive terminal.
    5. Remove the AM2 fuse and IG2 relay.
    6. Fig 9: Identifying AM2 Fuse And IG2 Relay Terminals
      G05183776Courtesy of © TOYOTA, LICENSE AGREEMENT TMS1002
    7. Measure the resistance between the terminals.

      Standard resistance (Check for open) 

      RESISTANCE SPECIFICATION

      Tester Connections Specified Conditions
      A9-28 (IGSW) - Engine room No. 1 relay block IG2 relay terminal 5 Below 1 Ω
      Engine room No. 1 relay block IG2 relay terminal 2 - Body ground Below 1 Ω
      Positive (+) battery cable - Engine room relay block No. 1 AM2 fuse terminal 1 Below 1 Ω
      Positive (+) battery cable - Engine room relay block No. 1 IG2 relay terminal 3 Below 1 Ω
      E3-7 (AM2) - Engine room No. 1 relay block AM2 fuse terminal 2 Below 1 Ω
      E3-6 (IG2) - Engine room No. 1 relay block IG2 relay terminal 1 Below 1 Ω

      Standard resistance (Check for short) 

      RESISTANCE SPECIFICATION

      Tester Connections Specified Conditions
      A9-28 (IGSW) or Engine room No. 1 relay block IG2 relay terminal 5 - Body ground 10 kΩ or higher
      Positive (+) battery cable or Engine room No. 1 relay block AM2 fuse terminal 1 - Body ground 10 kΩ or higher
      Positive (+) battery cable or Engine room No. 1 relay block IG2 relay terminal 3 - Body ground 10 kΩ or higher
      E3-7 (AM2) or Engine room No. 1 relay block AM2 fuse terminal 2 - Body ground 10 kΩ or higher
      E3-6 (1G2) or Engine room No. 1 relay block IG2 relay terminal 1 - Body ground 10 kΩ or higher
    8. Reinstall the relay and fuse.
    9. Reconnect the connectors.

    NG: REPAIR OR REPLACE HARNESS OR CONNECTOR 

    OK: Go to next step 

  6. INSPECT IGNITION SWITCH  (See INSPECTION PROCEDURE  )

    NG: REPLACE IGNITION SWITCH 

    OK: Go to next step 

  7. CHECK HARNESS AND CONNECTOR (INTEGRATION RELAY - ECM, BATTERY, BODY GROUND) 
    1. Disconnect the A9 ECM connector.
      Fig 10: Identifying A9 ECM Connector Terminals
      G05183777Courtesy of © TOYOTA, LICENSE AGREEMENT TMS1002
    2. Remove the integration relay from the engine room No. 1 relay block.
    3. Disconnect the integration relay connector.
    4. Fig 11: Identifying Integration Relay Connector Terminals
      G05183778Courtesy of © TOYOTA, LICENSE AGREEMENT TMS1002
    5. Remove the P/I fuse from the engine room No. 1 relay block.
    6. Check the resistance between the terminals.

      Standard resistance (Check for open) 

      RESISTANCE SPECIFICATION

      Tester Connections Specified Conditions
      A9-2 (+B) - 1A-4 Below 1 Ω
      A9-1 (+B2) - 1A-4 Below 1 Ω
      A9-44 (MREL) - 1A-2 Below 1 Ω
      Engine room relay block No. 1 P/I fuse terminal 2 - 1C-1 Below 1 Ω
      1A-3 - Body ground Below 1 Ω

      Standard resistance (Check for short) 

      RESISTANCE SPECIFICATION

      Tester Connections Specified Conditions
      A9-2 (+B) or 1A-4 - Body ground 10 kΩ or higher
      A9-1 (+B2) or 1A-4 - Body ground 10 kΩ or higher
      A9-44 (MREL) or 1A-2 - Body ground 10 kΩ or higher
      Engine room No. 1 relay block P/I fuse terminal 2 or 1C-1 - Body ground 10 kΩ or higher
    7. Reconnect the connectors.
    8. Reinstall the integration relay and P/I fuse.

    NG: REPAIR OR REPLACE HARNESS OR CONNECTOR 

    OK: REPAIR OR REPLACE ENGINE ROOM NO. 1 RELAY BLOCK