LEMON Manuals: Even more car manuals for everyone: 1960-2025
Home >> Toyota >> 2008 >> Sequoia Platinum, 4WD >> Repair and Diagnosis >> Brakes >> Traction Control >> Brake Control/Dynamic Control Systems >> Skid Control Buzzer >> Inspection
April 5, 2026: LEMON Manuals is launched! Read the announcement.

Skid Control Buzzer: Inspection

  1. INSPECT SKID CONTROL BUZZER ASSEMBLY 
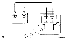
    1. Apply battery's positive (+) lead to terminal 1 of the skid control buzzer, and negative (-) lead to terminal 2. Then check that the buzzer sounds.

      OK: Skid control buzzer sounds. 

      If the result is not as specified, replace the skid control buzzer assembly.

      Fig 1: Inspecting Skid Control Buzzer Assembly
      G05159876Courtesy of © TOYOTA, LICENSE AGREEMENT TMS1002