LEMON Manuals: Even more car manuals for everyone: 1960-2025
Home >> Toyota >> 2009 >> 4Runner Limited, 4.7 T, AWD >> Repair and Diagnosis >> Engine Performance >> System >> Engine Control System (2UZ-FE) - SFI System Diagnostic And Troubleshooting Introductions, Diagnostic Trouble Code Table >> SFI System >> System Diagram
April 5, 2026: LEMON Manuals is launched! Read the announcement.

System Diagram

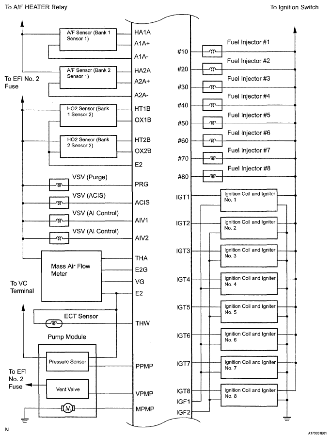
Fig 1: Identifying Engine Control System Diagram (1 Of 3)
G05553191Courtesy of © TOYOTA, LICENSE AGREEMENT TMS1002
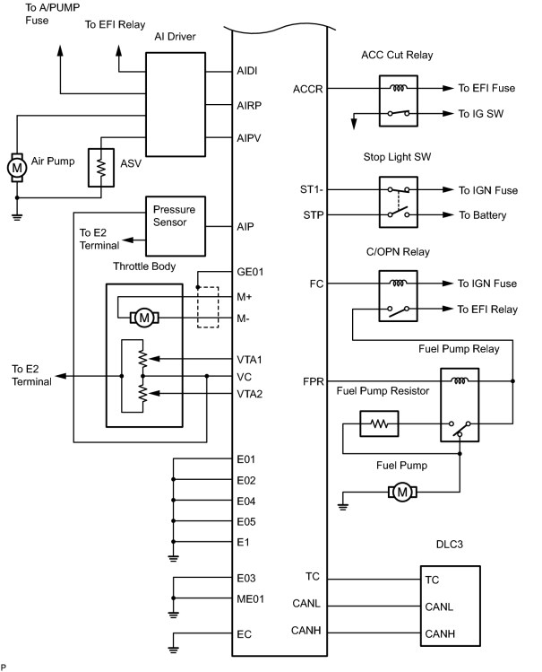
Fig 2: Identifying Engine Control System Diagram (2 Of 3)
G05553192Courtesy of © TOYOTA, LICENSE AGREEMENT TMS1002
Fig 3: Identifying Engine Control System Diagram (3 Of 3)
G00485579Courtesy of © TOYOTA, LICENSE AGREEMENT TMS1002