LEMON Manuals: Even more car manuals for everyone: 1960-2025
Home >> Toyota >> 2009 >> Avalon XLS >> Repair and Diagnosis (Single Page) >> Electrical >> Body Electrical >> OEM System Circuits >> Multi Display (w/o Navigation System) >> Notes
April 5, 2026: LEMON Manuals is launched! Read the announcement.

Multi Display (w/o Navigation System): Notes

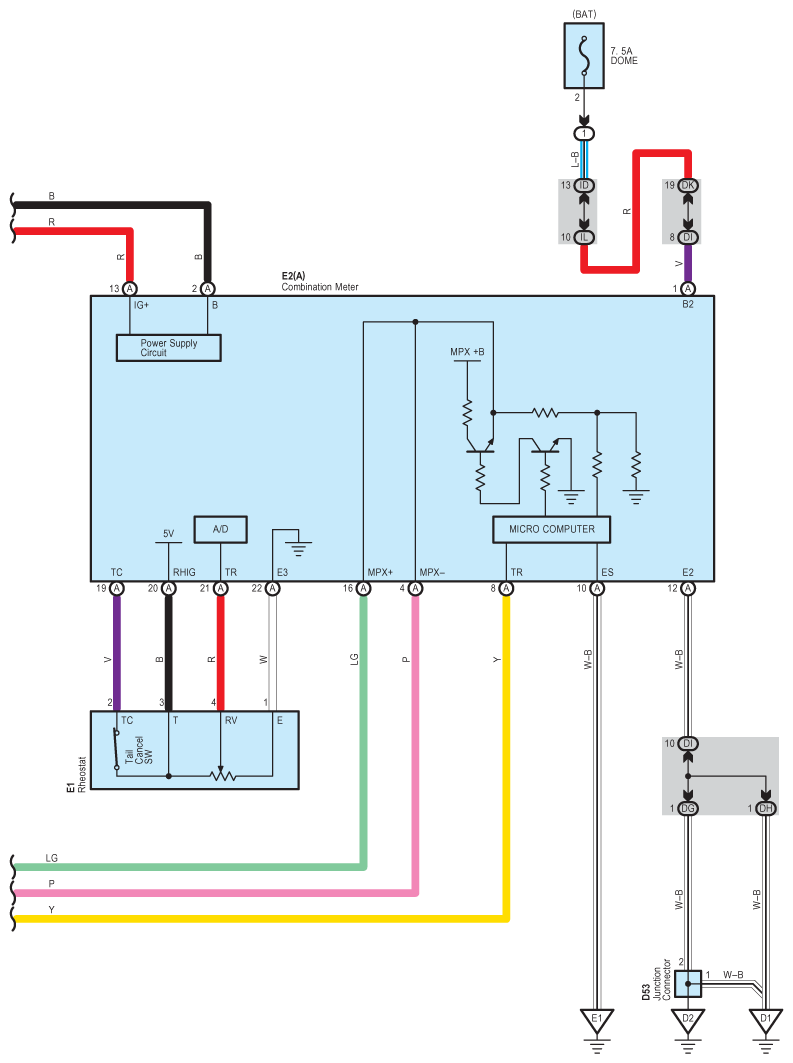
Fig 1: Multi Display (W/O Navigation System) - Circuit Diagram (1 Of 3)
G07615291Courtesy of © TOYOTA, LICENSE AGREEMENT TMS1002
Fig 2: Multi Display (W/O Navigation System) - Circuit Diagram (2 Of 3)
G07615292Courtesy of © TOYOTA, LICENSE AGREEMENT TMS1002
Fig 3: Multi Display (W/O Navigation System) - Circuit Diagram (3 Of 3)
G07615293Courtesy of © TOYOTA, LICENSE AGREEMENT TMS1002