LEMON Manuals: Even more car manuals for everyone: 1960-2025
Home >> Toyota >> 2009 >> Avalon XLS >> Repair and Diagnosis (Single Page) >> Electrical >> Body Electrical >> OEM System Circuits >> Remote Control Mirror (w/o Driving Position Memory) >> Notes
April 5, 2026: LEMON Manuals is launched! Read the announcement.

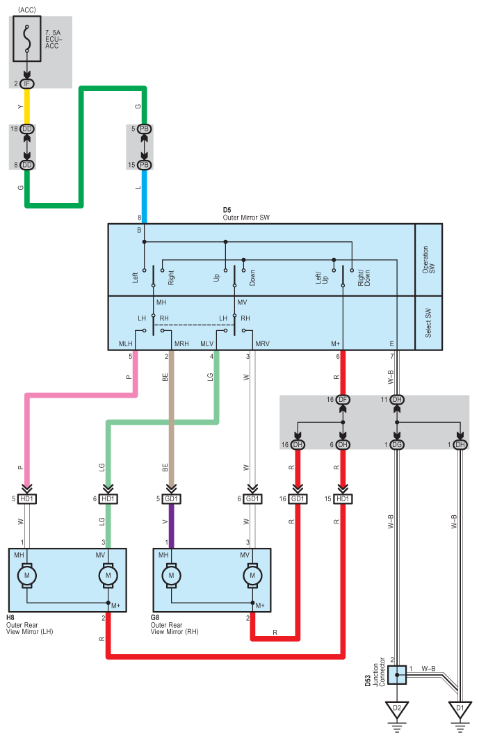
Remote Control Mirror (w/o Driving Position Memory): Notes

Fig 1: Remote Control Mirror (W/O Driving Position Memory) - Circuit Diagram
G07615277Courtesy of © TOYOTA, LICENSE AGREEMENT TMS1002