LEMON Manuals: Even more car manuals for everyone: 1960-2025
Home >> Toyota >> 2009 >> Avalon XLS >> Repair and Diagnosis >> Engine Performance >> Engine Control System (2GR-FE) >> SFI System >> System Diagram
April 5, 2026: LEMON Manuals is launched! Read the announcement.

System Diagram

  1. w/o Smart Key System: 
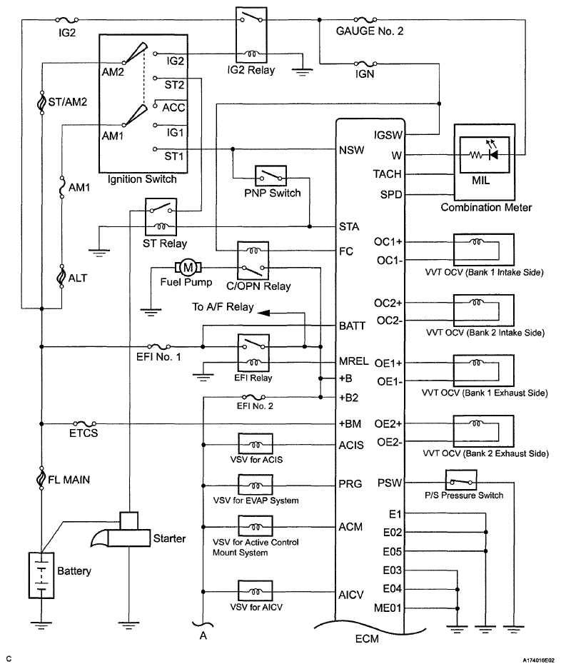
    Fig 1: Engine Control System Diagram - W/O Smart Key System (1 Of 3)
    G06226864Courtesy of © TOYOTA, LICENSE AGREEMENT TMS1002
    Fig 2: Engine Control System Diagram - W/O Smart Key System (2 Of 3)
    G06226865Courtesy of © TOYOTA, LICENSE AGREEMENT TMS1002
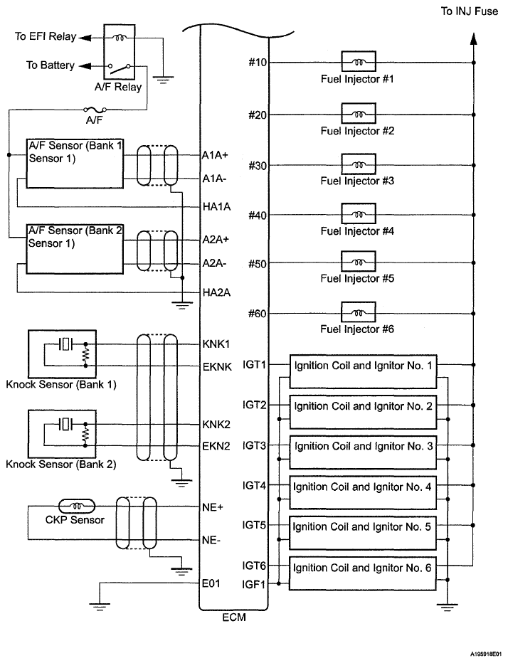
    Fig 3: Engine Control System Diagram - W/O Smart Key System (3 Of 3)
    G06226866Courtesy of © TOYOTA, LICENSE AGREEMENT TMS1002
  2. w/ Smart Key System: 
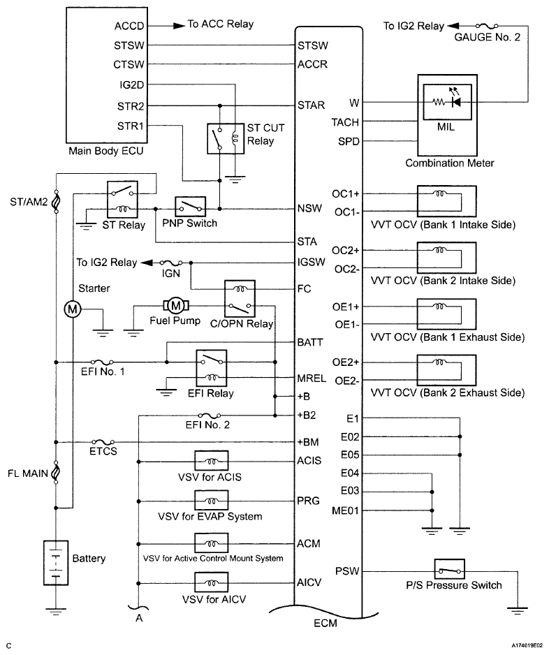
    Fig 4: Engine Control System Diagram - W/ Smart Key System (1 Of 3)
    G06226867Courtesy of © TOYOTA, LICENSE AGREEMENT TMS1002
    Fig 5: Engine Control System Diagram - W/ Smart Key System (2 Of 3)
    G05404413Courtesy of © TOYOTA, LICENSE AGREEMENT TMS1002
    Fig 6: Engine Control System Diagram - W/ Smart Key System (3 Of 3)
    G06226866Courtesy of © TOYOTA, LICENSE AGREEMENT TMS1002