LEMON Manuals: Even more car manuals for everyone: 1960-2025
Home >> Toyota >> 2009 >> Camry Base, Automatic >> Repair and Diagnosis >> External Pages >> Different variant/trim >> Section 14 (Engine Control System (2GR-FE Except Hybrid) - SFI System Precautions, Troubleshooting And Diagnostic Introductions, Problem Symptoms Table, Diagnostic Trouble Code Chart) >> SFI System >> System Diagram
April 5, 2026: LEMON Manuals is launched! Read the announcement.

System Diagram

WARNING: This page is about a different variant/trim than selected.
  1. Without Smart Key System: 
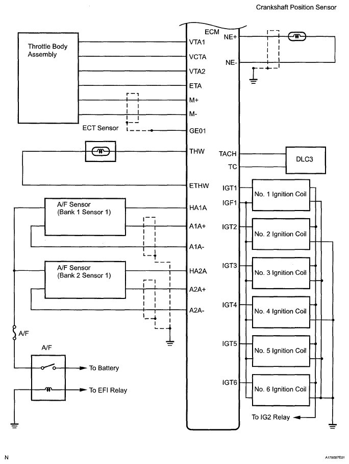
    Fig 1: SFI System Diagram - Without Smart Key (1 Of 5)
    G04973418Courtesy of © TOYOTA, LICENSE AGREEMENT TMS1002
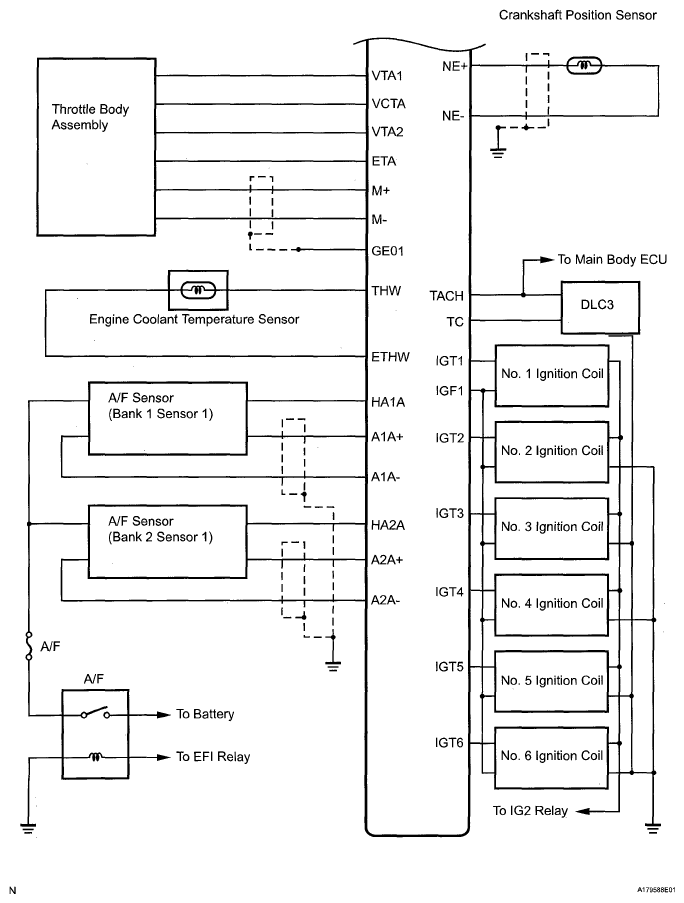
    Fig 2: SFI System Diagram - Without Smart Key (2 Of 5)
    G05558582Courtesy of © TOYOTA, LICENSE AGREEMENT TMS1002
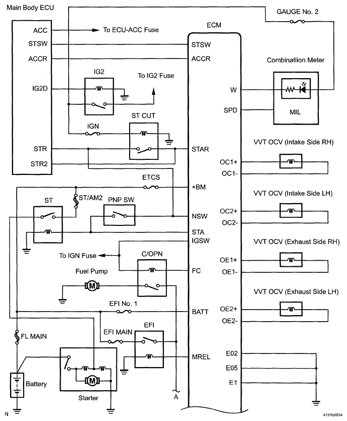
    Fig 3: SFI System Diagram - Without Smart Key (3 Of 5)
    G04973420Courtesy of © TOYOTA, LICENSE AGREEMENT TMS1002
    Fig 4: SFI System Diagram - Without Smart Key (4 Of 5)
    G05558584Courtesy of © TOYOTA, LICENSE AGREEMENT TMS1002
    Fig 5: SFI System Diagram - Without Smart Key (5 Of 5)
    G04973422Courtesy of © TOYOTA, LICENSE AGREEMENT TMS1002
  2. With Smart Key System: 
    Fig 6: SFI System Diagram - With Smart Key (1 Of 5)
    G05558586Courtesy of © TOYOTA, LICENSE AGREEMENT TMS1002
    Fig 7: SFI System Diagram - With Smart Key (2 Of 5)
    G05558582Courtesy of © TOYOTA, LICENSE AGREEMENT TMS1002
    Fig 8: SFI System Diagram - With Smart Key (3 Of 5)
    G04973420Courtesy of © TOYOTA, LICENSE AGREEMENT TMS1002
    Fig 9: SFI System Diagram - With Smart Key (4 Of 5)
    G05558589Courtesy of © TOYOTA, LICENSE AGREEMENT TMS1002
    Fig 10: SFI System Diagram - With Smart Key (5 Of 5)
    G04973422Courtesy of © TOYOTA, LICENSE AGREEMENT TMS1002