LEMON Manuals: Even more car manuals for everyone: 1960-2025
Home >> Toyota >> 2009 >> Camry Base, Standard >> Repair and Diagnosis (Single Page) >> Brakes >> Traction Control >> Brake Control - Except Hybrid >> VEHICLE STABILITY CONTROL SYSTEM (for BOSCH Made) >> DTC U0073/94 Control Module Communication Bus OFF; DTC U0100/65 Lost Communication with ECM / PCM; DTC U0123/62 Lost Communication with Yaw Rate Sensor Module; DTC U0126/63 Lost Communication with Steering Angle Sensor Module >> Wiring Diagram
April 5, 2026: LEMON Manuals is launched! Read the announcement.

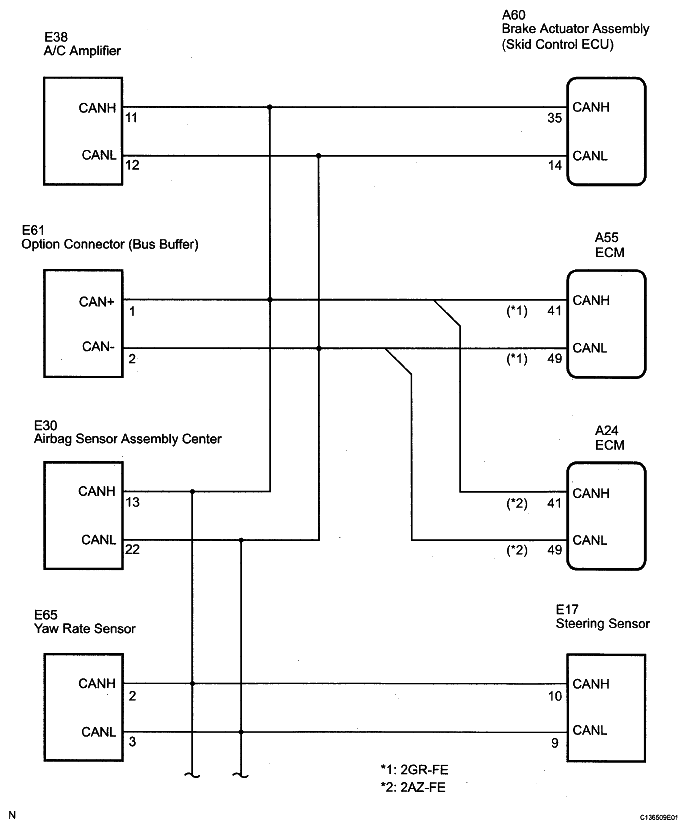
DTC U0073/94 Control Module Communication Bus OFF; DTC U0100/65 Lost Communication with ECM / PCM; DTC U0123/62 Lost Communication with Yaw Rate Sensor Module; DTC U0126/63 Lost Communication with Steering Angle Sensor Module: Wiring Diagram

Fig 1: Control Module Communication Bus OFF - Wiring Diagram (1 Of 2)
G05560791Courtesy of © TOYOTA, LICENSE AGREEMENT TMS1002
Fig 2: Control Module Communication Bus OFF - Wiring Diagram (2 Of 2)
G04978184Courtesy of © TOYOTA, LICENSE AGREEMENT TMS1002