LEMON Manuals: Even more car manuals for everyone: 1960-2025
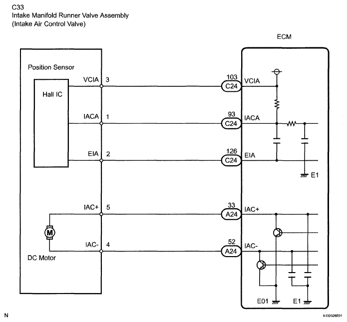
Home >> Toyota >> 2009 >> Camry Base, Standard >> Repair and Diagnosis (Single Page) >> Engine Performance >> Testing & Diagnosis >> Engine Control System (2AZ-FE) (Except Hybrid) >> SFI System >> DTC P2014 Intake Manifold Runner Position Sensor / Switch Circuit (Bank 1); DTC P2016 Intake Manifold Runner Position Sensor / Switch Circuit Low (Bank 1); DTC P2017 Intake Manifold Runner Position Sensor / Switch Circuit High (Bank 1) >> Wiring Diagram
April 5, 2026: LEMON Manuals is launched! Read the announcement.

DTC P2014 Intake Manifold Runner Position Sensor / Switch Circuit (Bank 1); DTC P2016 Intake Manifold Runner Position Sensor / Switch Circuit Low (Bank 1); DTC P2017 Intake Manifold Runner Position Sensor / Switch Circuit High (Bank 1): Wiring Diagram

Fig 1: Intake Manifold Runner Position Sensor / Switch Circuit (Bank 1) - Wiring Diagram
G04973188Courtesy of © TOYOTA, LICENSE AGREEMENT TMS1002