LEMON Manuals: Even more car manuals for everyone: 1960-2025
Home >> Toyota >> 2009 >> Corolla Base, 1.8 L, Automatic >> Repair and Diagnosis >> External Pages >> Different variant/trim >> Section 13 (Engine Control System (2AZ-FE) - System And Circuit Testing, On-Vehicle Inspection, Removal, Inspection And Installation) >> Fuel Pump Control Circuit >> Wiring Diagram
April 5, 2026: LEMON Manuals is launched! Read the announcement.

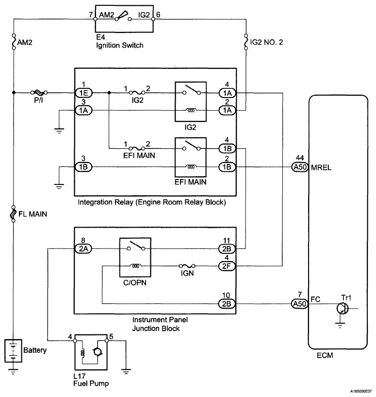
Fuel Pump Control Circuit: Wiring Diagram

WARNING: This page is about a different variant/trim than selected.
Fig 1: Instrument Panel Junction Block And ECM - Wiring Diagram
G06007556Courtesy of © TOYOTA, LICENSE AGREEMENT TMS1002