LEMON Manuals: Even more car manuals for everyone: 1960-2025
Home >> Toyota >> 2009 >> Corolla XLE, 1.8 L >> Repair and Diagnosis >> Engine Performance >> Testing & Diagnosis >> Engine Control System (2ZR-FE) - SFI System Diagnostic Introduction, Precautions, Problem Symptoms Table, Fail-Safe Chart, Diagnostic Trouble Code (DTC) Chart >> SFI System >> System Diagram
April 5, 2026: LEMON Manuals is launched! Read the announcement.

System Diagram

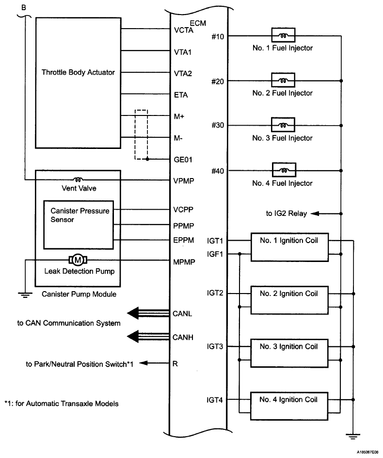
Fig 1: Engine Control System Diagram (1 Of 5)
G06007702Courtesy of © TOYOTA, LICENSE AGREEMENT TMS1002
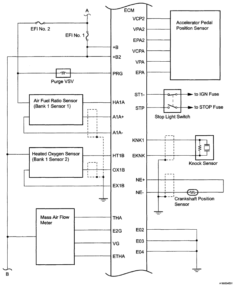
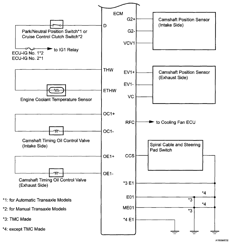
Fig 2: Engine Control System Diagram (2 Of 5)
G06007703Courtesy of © TOYOTA, LICENSE AGREEMENT TMS1002
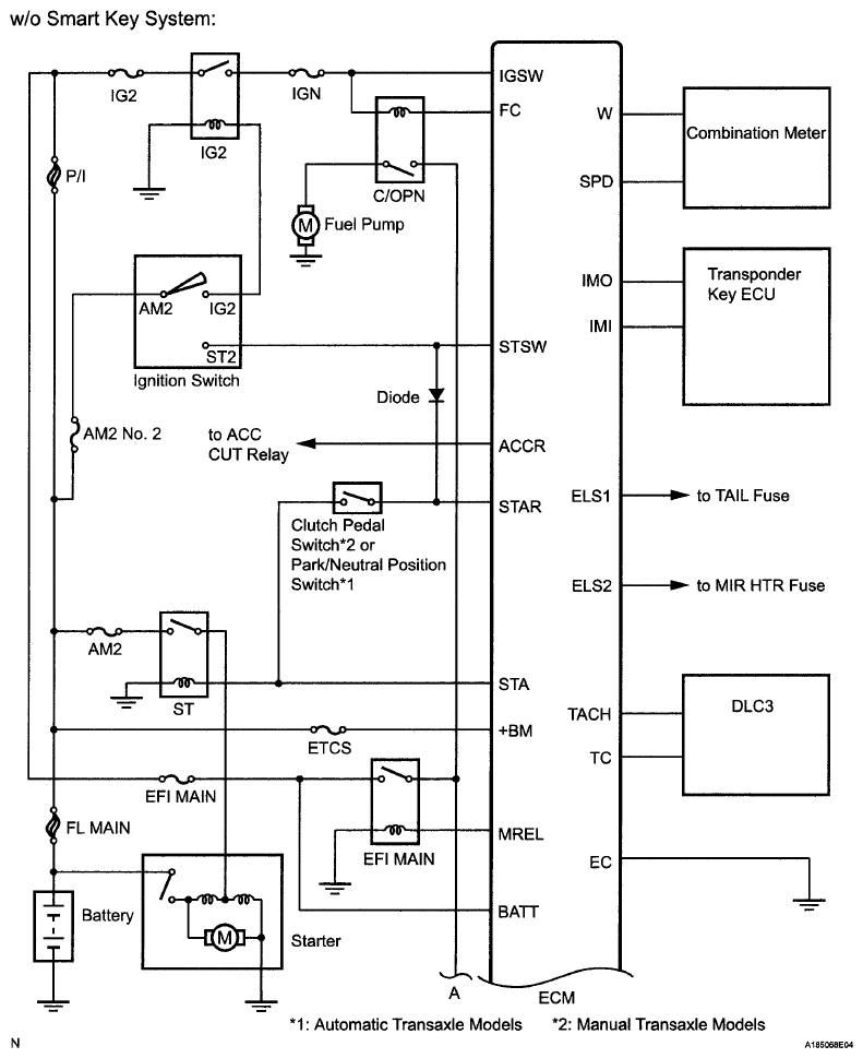
Fig 3: Engine Control System Diagram (3 Of 5)
G06007704Courtesy of © TOYOTA, LICENSE AGREEMENT TMS1002
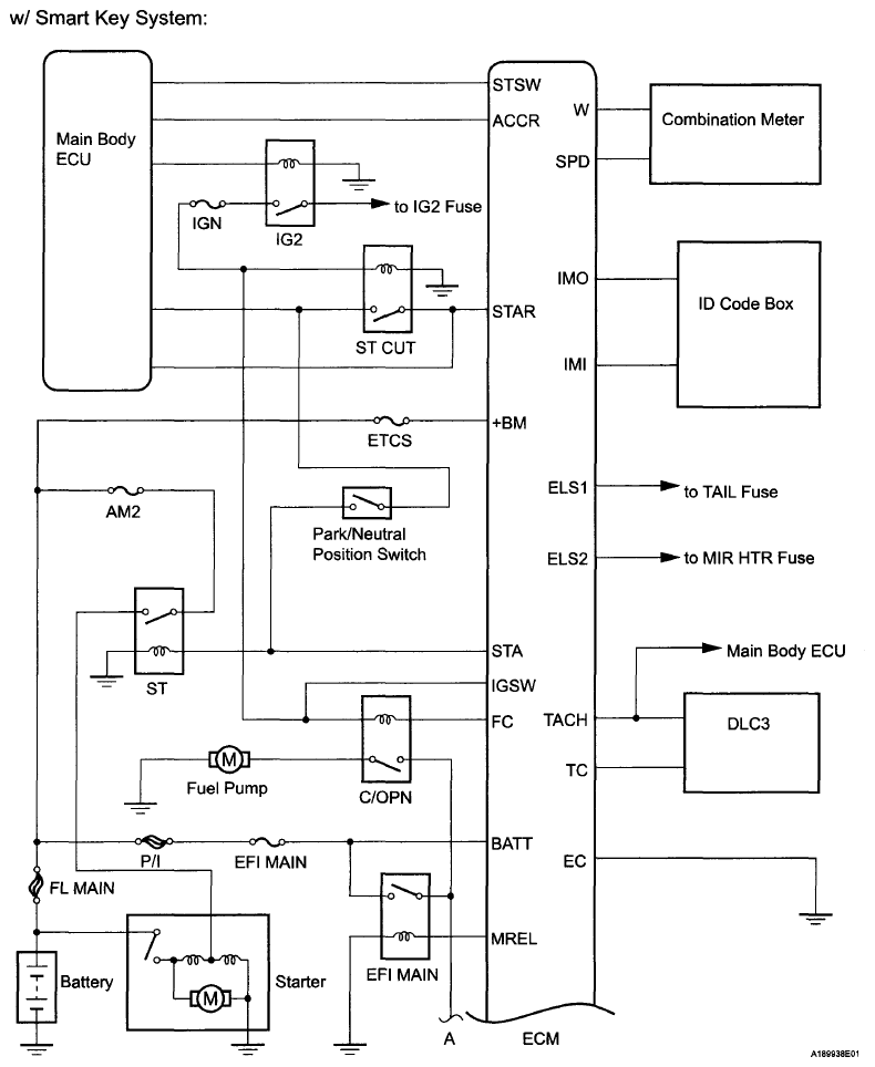
Fig 4: Engine Control System Diagram (4 Of 5)
G06007705Courtesy of © TOYOTA, LICENSE AGREEMENT TMS1002
Fig 5: Engine Control System Diagram (5 Of 5)
G06007706Courtesy of © TOYOTA, LICENSE AGREEMENT TMS1002