LEMON Manuals: Even more car manuals for everyone: 1960-2025
Home >> Toyota >> 2009 >> FJ Cruiser 4WD, Part Time >> Repair and Diagnosis >> Body & Frame >> Windows >> Windshield/Window Glass >> Power Window Control System >> System Diagram
April 5, 2026: LEMON Manuals is launched! Read the announcement.

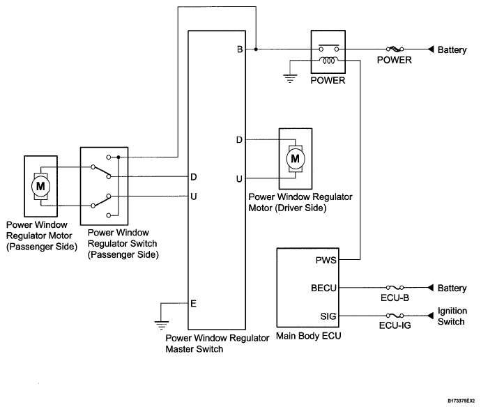
System Diagram

Fig 1: Power Window Control System Diagram
G05581160Courtesy of © TOYOTA, LICENSE AGREEMENT TMS1002