LEMON Manuals: Even more car manuals for everyone: 1960-2025
Home >> Toyota >> 2009 >> FJ Cruiser 4WD, Part Time >> Repair and Diagnosis >> Engine Performance >> Fuel Delivery >> Engine Fuel System >> Fuel System >> System Diagram
April 5, 2026: LEMON Manuals is launched! Read the announcement.

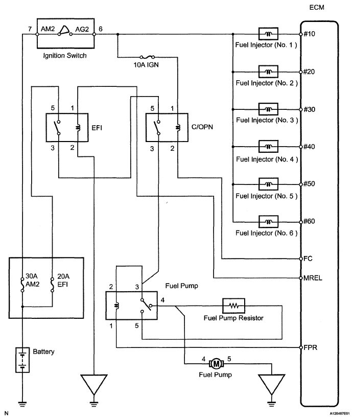
System Diagram

Fig 1: Identifying Fuel System Diagram
G05109608Courtesy of © TOYOTA, LICENSE AGREEMENT TMS1002