LEMON Manuals: Even more car manuals for everyone: 1960-2025
Home >> Toyota >> 2009 >> Highlander Base, 2.7 A >> Repair and Diagnosis >> Engine Performance >> System >> Engine Control System (1AR-FE) - Circuit Testing, Component Inspection, Removal & Installation >> Fuel Pump Control Circuit >> Description
April 5, 2026: LEMON Manuals is launched! Read the announcement.

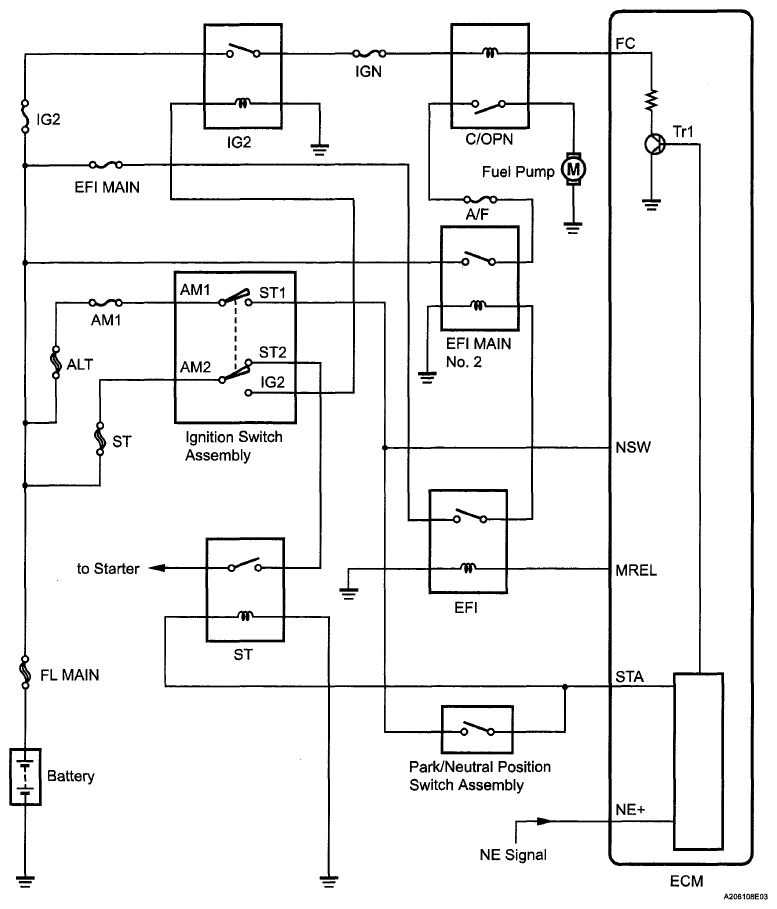
Fuel Pump Control Circuit: Description

When the engine is cranked, the starter relay drive signal output from the ignition switch is input into the STA terminal of the ECM, and the NE signal generated by the crankshaft position sensor is also input into the NE+ terminal. When the ECM interprets that the engine is cranked, it turns transistor Tr1 in the ECM internal circuit on. The current flows to the C/OPN (Circuit Opening) relay when Tr1 is turned on. Then, the fuel pump operates.

While the NE signal is input into the ECM when the engine is running, the ECM turns Tr1 on continuously.

Fig 1: Fuel Pump Control Circuit Diagram
G06111228Courtesy of © TOYOTA, LICENSE AGREEMENT TMS1002