LEMON Manuals: Even more car manuals for everyone: 1960-2025
Home >> Toyota >> 2009 >> Highlander Base, 2.7 A >> Repair and Diagnosis >> Engine Performance >> System >> Engine Control System (1AR-FE) - Circuit Testing, Component Inspection, Removal & Installation >> Fuel Pump Control Circuit >> Wiring Diagram
April 5, 2026: LEMON Manuals is launched! Read the announcement.

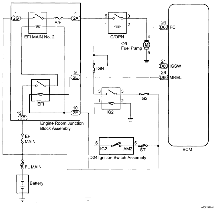
Fuel Pump Control Circuit: Wiring Diagram

Fig 1: Fuel Pump Control Circuit - Wiring Diagram
G06111229Courtesy of © TOYOTA, LICENSE AGREEMENT TMS1002