LEMON Manuals: Even more car manuals for everyone: 1960-2025
Home >> Toyota >> 2009 >> Highlander Base, 2.7 A >> Repair and Diagnosis >> Engine Performance >> System >> Engine Control System (1AR-FE) - Circuit Testing, Component Inspection, Removal & Installation >> VC Output Circuit >> Wiring Diagram
April 5, 2026: LEMON Manuals is launched! Read the announcement.

VC Output Circuit: Wiring Diagram

Fig 1: VC Output Circuit - Wiring Diagram (1 Of 2)
G06111225Courtesy of © TOYOTA, LICENSE AGREEMENT TMS1002
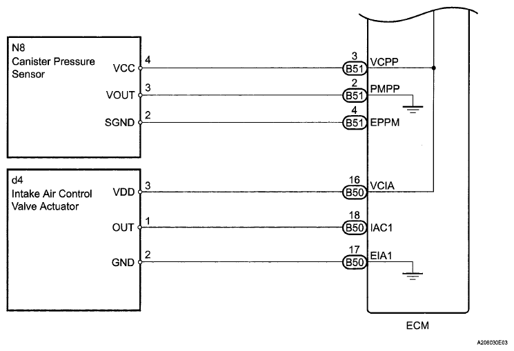
Fig 2: VC Output Circuit - Wiring Diagram (2 Of 2)
G06111226Courtesy of © TOYOTA, LICENSE AGREEMENT TMS1002