LEMON Manuals: Even more car manuals for everyone: 1960-2025
Home >> Toyota >> 2009 >> Highlander Hybrid >> Repair and Diagnosis >> Engine Performance >> System >> Engine Control System (Hybrid) - SFI System Diagnostic Introduction, Diagnostic Trouble Code Chart >> SFI System >> System Diagram
April 5, 2026: LEMON Manuals is launched! Read the announcement.

System Diagram

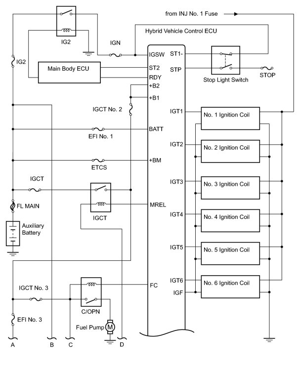
Fig 1: SFI System - System Diagram (1 Of 4)
G00486399Courtesy of © TOYOTA, LICENSE AGREEMENT TMS1002
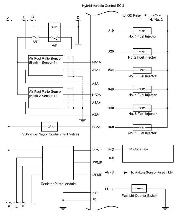
Fig 2: SFI System - System Diagram (2 Of 4)
G00486400Courtesy of © TOYOTA, LICENSE AGREEMENT TMS1002
Fig 3: SFI System - System Diagram (3 Of 4)
G00486401Courtesy of © TOYOTA, LICENSE AGREEMENT TMS1002
Fig 4: SFI System - System Diagram (4 Of 4)
G05625388Courtesy of © TOYOTA, LICENSE AGREEMENT TMS1002