LEMON Manuals: Even more car manuals for everyone: 1960-2025
Home >> Toyota >> 2009 >> Land Cruiser >> Repair and Diagnosis (Single Page) >> Accessories & Equipment >> Infotainment >> Navigation/Multi Info Display >> Navigation System >> Television Display Assembly Communication Error >> Wiring Diagram
April 5, 2026: LEMON Manuals is launched! Read the announcement.

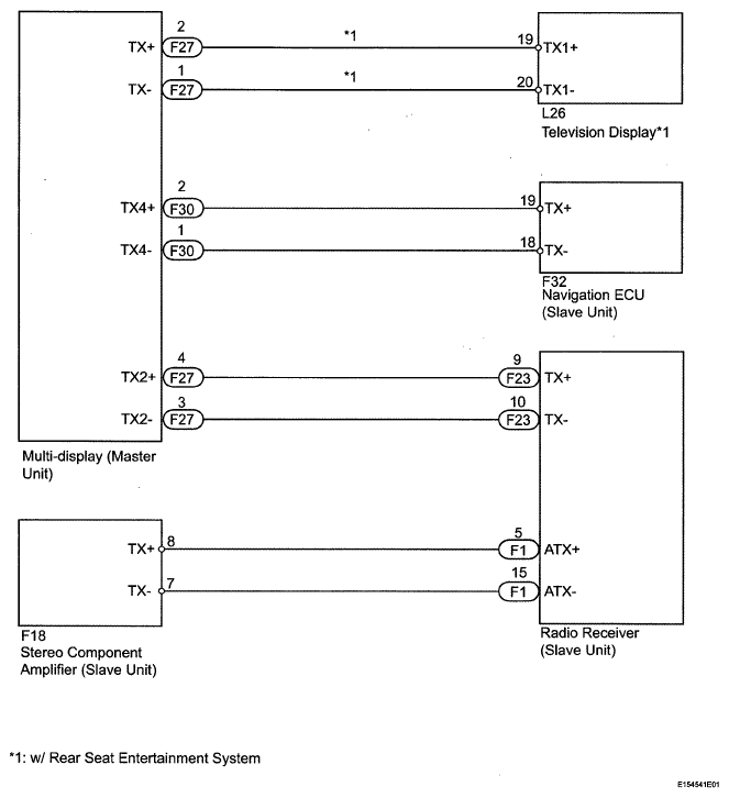
Television Display Assembly Communication Error: Wiring Diagram

Fig 1: Stereo Component Amplifier & Radio Receiver - Wiring Diagram
G05630180Courtesy of © TOYOTA, LICENSE AGREEMENT TMS1002