LEMON Manuals: Even more car manuals for everyone: 1960-2025
Home >> Toyota >> 2009 >> Land Cruiser >> Repair and Diagnosis >> Brakes >> Traction Control >> Brake Control/Dynamic Control System >> Vehicle Stability Control System >> TC and CG Terminal Circuit >> Wiring Diagram
April 5, 2026: LEMON Manuals is launched! Read the announcement.

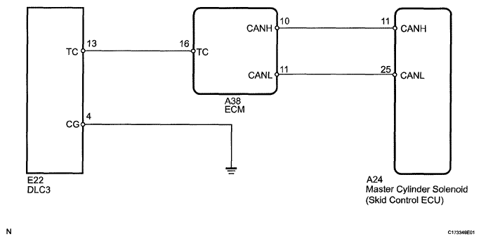
TC and CG Terminal Circuit: Wiring Diagram

Fig 1: TC And CG Terminal - Wiring Diagram
G05629937Courtesy of © TOYOTA, LICENSE AGREEMENT TMS1002

HINT:

When each warning light stays blinking, a ground short in the wiring of terminal TC of the DLC3 or an internal ground short in each ECU is suspected.