LEMON Manuals: Even more car manuals for everyone: 1960-2025
Home >> Toyota >> 2009 >> Land Cruiser >> Repair and Diagnosis >> Engine Mechanical >> Engine Intake / Exhaust Assembly >> Intake System >> System Diagram
April 5, 2026: LEMON Manuals is launched! Read the announcement.

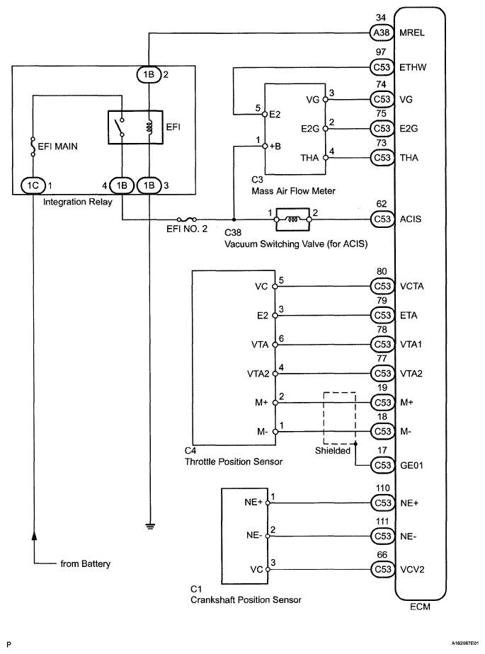
System Diagram

Fig 1: Intake System Diagram (1 Of 2)
G05637995Courtesy of © TOYOTA, LICENSE AGREEMENT TMS1002
Fig 2: Intake System Diagram (2 Of 2)
G05637996Courtesy of © TOYOTA, LICENSE AGREEMENT TMS1002