LEMON Manuals: Even more car manuals for everyone: 1960-2025
Home >> Toyota >> 2009 >> Land Cruiser >> Repair and Diagnosis >> Engine Performance >> System >> Engine Control System - Circuit Tests And Service Information >> Cranking Holding Function Circuit >> Inspection Procedure
April 5, 2026: LEMON Manuals is launched! Read the announcement.

Inspection Procedure

  1. CHECK CRANKING 
    1. Check the cranking of the engine.

      Result 

      RESULT REFERENCE

      Result Proceed to
      Cranking possible and holding control operates A
      Does not crank B
      Cranking possible but holding control does not operate C

    B: Go to step 2 

    C: Go to Step  11

    A: PROCEED TO NEXT CIRCUIT INSPECTION SHOWN IN PROBLEM SYMPTOMS TABLE  (See PROBLEM SYMPTOMS TABLE )

  2. READ VALUE USING TECHSTREAM (STARTER SIGNAL) 
    1. Connect the Techstream to the DLC3.
    2. Turn the engine switch on (IG).
    3. Turn the Techstream on.
    4. Enter the following menus: Powertrain / Engine and ECT / Data List / Starter Signal.
    5. Check the value displayed on the Techstream when the engine switch is turned to the START.

      Standard 

      ENGINE SWITCH POSITION

      Engine Switch Position Display (Starter Signal)
      On (IG) OFF
      START ON

    NG: Go to Step  7

    OK: Go to next step 

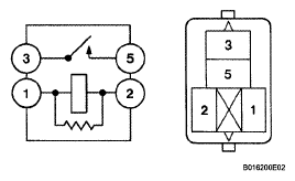
  3. INSPECT STARTER RELAY (ST) 
    1. Remove the starter relay (ST) from the engine room relay block.
    2. Measure the resistance according to the value(s) in the table below.

      Standard Resistance 

      STANDARD RESISTANCE SPECIFICATION

      Tester Connection Condition Specified Condition
      3 - 5 No battery voltage applied to terminals 1 and 2 10 kΩ or higher
      3 - 5 Battery voltage applied to terminals 1 and 2 Below 1 Ω
      Fig 1: Inspecting Starter Relay (ST)
      G05628181Courtesy of © TOYOTA, LICENSE AGREEMENT TMS1002

    NG: REPLACE STARTER RELAY (ST) 

    OK: Go to next step 

  4. CHECK HARNESS AND CONNECTOR (ST RELAY - PNP SWITCH) 
    1. Remove the starter relay (ST) from the engine room relay block.
    2. Disconnect the C19 PNP switch.
    3. Measure the resistance according to the value(s) in the table below.

      Standard Resistance 

      STANDARD RESISTANCE SPECIFICATION

      Tester Connection Condition Specified Condition
      ST relay (2) - C19-5 Always Below 1 Ω
      ST relay (2) or C19-5 - Body ground Always 10 kΩ or higher
      Fig 2: Identifying ST Relay And C19 PNP Switch Connector
      G05628182Courtesy of © TOYOTA, LICENSE AGREEMENT TMS1002

    NG: REPAIR OR REPLACE HARNESS OR CONNECTOR 

    OK: Go to next step 

  5. CHECK STARTER RELAY (POWER SOURCE) 
    1. Remove the ST relay from the engine room relay block.
    2. Measure the voltage according to the value(s) in the table below.

      Standard Voltage 

      STANDARD VOLTAGE SPECIFICATION

      Tester Connection Condition Specified Condition
      ST relay (1)-ST relay (5) Always 11 to 14 V
      Fig 3: Identifying ST Relay
      G05628183Courtesy of © TOYOTA, LICENSE AGREEMENT TMS1002

    NG: REPAIR OR REPLACE HARNESS OR CONNECTOR (STARTER RELAY (ST) BATTERY, BODY GROUND) 

    OK: Go to next step 

  6. INSPECT STARTER 
    1. Inspect the starter (See INSPECTION ).

    NG: REPAIR OR REPLACE STARTER  (See REMOVAL )

    OK: REPAIR OR REPLACE HARNESS OR CONNECTOR (STARTER - STARTER RELAY (ST), BATTERY) 

  7. INSPECT STARTER CUT RELAY (ST CUT) 
    1. Remove the starter cut relay (ST CUT) from the engine room relay block.
    2. Measure the resistance according to the value(s) in the table below.

      Standard Resistance 

      STANDARD RESISTANCE SPECIFICATION

      Tester Connection Condition Specified Condition
      3 - 5 No battery voltage applied to terminals 1 and 2 10 kΩ or higher
      3 - 5 Battery voltage applied to terminals 1 and 2 Below 1 Ω
      Fig 4: Inspecting Starter Cut Relay (ST CUT)
      G05628184Courtesy of © TOYOTA, LICENSE AGREEMENT TMS1002

    NG: REPLACE STARTER CUT RELAY (ST CUT) 

    OK: Go to next step 

  8. CHECK HARNESS AND CONNECTOR (ST CUT RELAY - PNP SWITCH, ECM) 
    1. Remove the starter cut relay (ST CUT) from the engine room relay block.
    2. Disconnect the C19 PNP switch connector.
    3. Disconnect the C53 ECM connector.
    4. Measure the resistance according to the value(s) in the table below.

      Standard Resistance 

      STANDARD RESISTANCE SPECIFICATION

      Tester Connection Condition Specified Condition
      ST CUT relay (5) - C53-16 (STAR) Always Below 1 Ω
      ST CUT relay (3) - C19-4 Always Below 1 Ω
      ST CUT relay (5) or C53-16 (STAR) - Body ground Always 10 kΩ or higher
      ST CUT relay (3) or C19-4 - Body ground Always 10 kΩ or higher
      Fig 5: Identifying C19 PNP Switch And C53 ECM Connectors
      G05628185Courtesy of © TOYOTA, LICENSE AGREEMENT TMS1002

    NG: REPAIR OR REPLACE HARNESS OR CONNECTOR 

    OK: Go to next step 

  9. INSPECT PARK/NEUTRAL POSITION SWITCH 
    1. Inspect the Park/Neutral Position (PNP) switch.
      1. Disconnect the C19 PNP switch connector.
      2. Measure the resistance according to the value(s) in the table below.

        Standard Resistance 

        STANDARD RESISTANCE SPECIFICATION

        Tester Connection Switch Condition Specified Condition
        4 (B) - 5 (L) Shift lever in P Below 1 Ω
        Shift lever in N Below 1 Ω
        Fig 6: Identifying C19 PNP Switch Connector
        G05628186Courtesy of © TOYOTA, LICENSE AGREEMENT TMS1002

    NG: REPLACE PARK/NEUTRAL POSITION SWITCH  (See REMOVAL )

    OK: Go to next step 

  10. CHECK HARNESS AND CONNECTOR (PNP SWITCH - ECM) 
    1. Disconnect the C19 PNP switch connector.
    2. Disconnect the A38 ECM connector.
    3. Measure the resistance according to the value(s) in the table below.

      Standard Resistance 

      STANDARD RESISTANCE SPECIFICATION

      Tester Connection Condition Specified Condition
      C19-5 - A38-46 (STA) Always Below 1 Ω
      C19-5 or A38-46 (STA) - Body ground Always 10 kΩ or higher
      Fig 7: Identifying C19 PNP Switch And A38 ECM Connectors
      G05628187Courtesy of © TOYOTA, LICENSE AGREEMENT TMS1002

      Result 

      RESULT REFERENCE

      Result Proceed to
      NG A
      OK B

    B: Go to Step  13

    A: REPAIR OR REPLACE HARNESS OR CONNECTOR 

  11. CHECK HARNESS AND CONNECTOR (MAIN BODY ECU - ECM) 
    Fig 8: Identifying E4 Main Body ECU And A38 ECM Connectors
    G05628188Courtesy of © TOYOTA, LICENSE AGREEMENT TMS1002
    1. Disconnect the E4 main body ECU connector.
    2. Disconnect the A38 ECM connector.
    3. Measure the resistance according to the value(s) in the table below.

      Standard Resistance 

      STANDARD RESISTANCE SPECIFICATION

      Tester Connection Condition Specified Condition
      E4-4 (STSW) - A38-14 (STSW) Always Below 1 Ω
      E4-4 (STSW) or A38-14 (STSW) - Body ground Always 10 kΩ or higher

    NG: REPAIR OR REPLACE HARNESS OR CONNECTOR 

    OK: Go to next step 

  12. CHECK HARNESS AND CONNECTOR (ST CUT RELAY - PNP SWITCH, ECM) 
    1. Remove the starter cut relay (ST CUT) from the engine room relay block.
    2. Disconnect the C19 PNP switch connector.
    3. Disconnect the C53 ECM connector.
    4. Measure the resistance according to the value(s) in the table below.

      Standard Resistance 

      STANDARD RESISTANCE SPECIFICATION

      Tester Connection Condition Specified Condition
      ST CUT relay (5) - C53-16 (STAR) Always Below 1 Ω
      ST CUT relay (3) - C19-4 Always Below 1 Ω
      ST CUT relay (5) or C53-16 (STAR)-Body ground Always 10 kΩ or higher
      ST CUT relay (3) or C19-4 - Body ground Always 10 kΩ or higher
      Fig 9: Identifying C19 PNP Switch And C53 ECM Connectors
      G05628189Courtesy of © TOYOTA, LICENSE AGREEMENT TMS1002

    NG: REPAIR OR REPLACE HARNESS OR CONNECTOR 

    OK: REPLACE ECM  (See ECM  )

  13. REPLACE ECM 
    1. Replace the ECM (See ECM  ).
  14. CONFIRM WHETHER MALFUNCTION HAS BEEN SUCCESSFULLY REPAIRED 
    1. Check the starter operation.

      OK: Malfunction has been repaired successfully. 

    NG: GO TO SMART KEY SYSTEM (ENGINE DOES NOT START)  (See ENGINE DOES NOT START )

    OK: END