LEMON Manuals: Even more car manuals for everyone: 1960-2025
Home >> Toyota >> 2009 >> Matrix AWD L4-2.4L (2AZ-FE) >> Repair and Diagnosis >> Powertrain Management >> Computers and Control Systems >> Information Bus >> Testing and Inspection >> Component Tests and General Diagnostics >> Check CAN Bus Line For Short to +B
April 5, 2026: LEMON Manuals is launched! Read the announcement.

Check CAN Bus Line For Short to +B








NETWORKING: CAN COMMUNICATION SYSTEM: Check CAN Bus Line for Short
to +B


Check CAN Bus Line for Short to +B

DESCRIPTION
There may be a short circuit between the CAN bus line and +B when no
resistance exists between terminals 6 (CANH) and 16 (BAT) or terminals 14
(CANL) and 16 (BAT) of the DLC3.






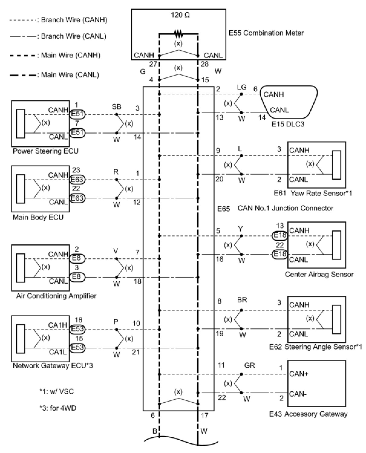
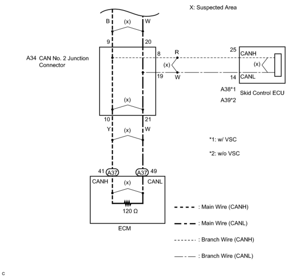
WIRING DIAGRAM










INSPECTION PROCEDURE

NOTICE:
- Turn the ignition switch off before measuring the resistances of the CAN main wire and the CAN branch wire.
- After the ignition switch is turned off, check that the key reminder warning system and light reminder warning system are not in operation.
- Before measuring the resistance, leave the vehicle as is for at least 1 minute and do not operate the ignition switch, any other switches or the doors. If the doors need to be opened in order to check the connectors, open the doors and leave them open.

HINT:
- Operating the ignition switch, any other switches, or a door triggers related ECU and sensor communication on the CAN. This communication will cause the resistance value to change.
- Even after DTCs are cleared, if a DTC is stored again after driving the vehicle for a while, the malfunction may be occurring due to vibration of the vehicle. In such a case, wiggling the ECUs or wire harness while performing the inspection below will help determine the cause of the malfunction.


PROCEDURE

1. CHECK FOR SHORT TO B+ IN CAN BUS WIRE (DLC3 BRANCH WIRE)





(a) Turn the ignition switch off, and Cable is disconnected from negative (-) battery terminal.
(b) Disconnect the CAN No. 1 junction connector.






(c) Measure the resistance according to the value(s) in the table below.
Standard Resistance:





NG -- REPAIR OR REPLACE CAN BRANCH WIRE CONNECTED TO DLC3
OK -- Continue to next step.

2. CHECK FOR SHORT TO B+ IN CAN BUS WIRE (CAN NO. 2 JUNCTION CONNECTOR)
(a) Turn the ignition switch off.






(b) Reconnect the CAN No. 1 junction connector.
(c) Disconnect the CAN No. 2 junction connector.






(d) Measure the resistance according to the value(s) in the table below.
Standard Resistance:






NG -- CHECK FOR SHORT TO B+ IN CAN BUS WIRE (POWER STEERING ECU BRANCH WIRE)
OK -- Continue to next step.

3. CHECK FOR SHORT TO B+ IN CAN BUS WIRE (ECM MAIN WIRE)







(a) Measure the resistance according to the value(s) in the table below.

HINT: The resistance must be measured after the CAN No. 2 junction connector is disconnected.

Standard Resistance:






NG -- CHECK FOR SHORT TO B+ IN CAN BUS WIRE (CAN NO. 2 JUNCTION CONNECTOR - ECM)
OK -- Continue to next step.

4. CHECK FOR SHORT TO B+ IN CAN BUS WIRE (SKID CONTROL ECU BRANCH WIRE)






(a) Disconnect the skid control ECU connector.






(b) Measure the resistance according to the value(s) in the table below.

HINT: The resistance must be measured after the CAN No. 2 junction connector is disconnected.
Standard Resistance:






Result:






C -- REPAIR OR REPLACE CAN BUS BRANCH WIRE OR CONNECTOR (CAN NO. 2 JUNCTION CONNECTOR - SKID CONTROL ECU)
B -- REPLACE BRAKE ACTUATOR ASSEMBLY
A -- REPLACE BRAKE ACTUATOR ASSEMBLY

5. CHECK FOR SHORT TO B+ IN CAN BUS WIRE (CAN NO. 2 JUNCTION CONNECTOR - ECM)






(a) Disconnect the ECM connector.







(b) Measure the resistance according to the value(s) in the table below.

HINT:The resistance must be measured after the CAN No. 2 junction connector is disconnected.
Standard Resistance:






Result:





C -- REPAIR OR REPLACE CAN MAIN WIRE OR CONNECTOR (CAN NO. 2 JUNCTION CONNECTOR - ECM)
B -- REPLACE ECM
A -- REPLACE ECM


6. CHECK FOR SHORT TO B+ IN CAN BUS WIRE (POWER STEERING ECU BRANCH WIRE)






(a) Reconnect the CAN No. 2 junction connector.
(b) Disconnect the CAN No. 1 junction connector.
(c) Measure the resistance according to the value(s) in the table below.
Standard Resistance:






NG -- CHECK FOR SHORT TO B+ IN CAN BUS WIRE (CAN NO. 1 JUNCTION CONNECTOR - POWER STEERING ECU)
OK -- Continue to next step.


7. CHECK FOR SHORT TO B+ IN CAN BUS WIRE (STEERING ANGLE SENSOR BRANCH WIRE)






(a) Measure the resistance according to the value(s) in the table below.
HINT:The resistance must be measured after the CAN No. 2 junction connector is disconnected.
Standard Resistance:






NG -- CHECK FOR SHORT TO B+ IN CAN BUS WIRE (CAN NO. 1 JUNCTION CONNECTOR - STEERING ANGLE SENSOR)
OK -- Continue to next step.


8. CHECK FOR SHORT TO B+ IN CAN BUS WIRE (YAW RATE SENSOR BRANCH WIRE)






(a) Measure the resistance according to the value(s) in the table below.
HINT:The resistance must be measured after the CAN No. 2 junction connector is disconnected.
Standard Resistance:






NG -- CHECK FOR SHORT TO B+ IN CAN BUS WIRE (CAN NO. 1 JUNCTION CONNECTOR - YAW RATE SENSOR)
OK -- Continue to next step.

9. CHECK FOR SHORT TO B+ IN CAN BUS WIRE (MAIN BODY ECU BRANCH WIRE






(a) Measure the resistance according to the value(s) in the table below.

HINT: The resistance must be measured after the CAN No. 1 junction connector is disconnected.
Standard Resistance:






NG -- CHECK FOR SHORT TO B+ IN CAN BUS WIRE (CAN NO. 1 JUNCTION CONNECTOR - MAIN BODY ECU)
OK -- Continue to next step.

10. CHECK FOR SHORT TO B+ IN CAN BUS WIRE (AIR CONDITIONING AMPLIFIER BRANCH WIRE)






(a) Measure the resistance according to the value(s) in the table below.
HINT: The resistance must be measured after the CAN No. 1 junction connector is disconnected.
Standard Resistance:






NG -- CHECK FOR SHORT TO B+ IN CAN BUS WIRE (CAN NO. 1 JUNCTION CONNECTOR - AIR CONDITIONING AMPLIFIER)
OK -- Continue to next step.

11. CHECK FOR SHORT TO B+ IN CAN BUS WIRE (CENTER AIRBAG SENSOR ASSEMBLY BRANCH WIRE)






(a) Measure the resistance according to the value(s) in the table below.
HINT: The resistance must be measured after the CAN No. 1 junction connector is disconnected.
Standard Resistance:






NG -- CHECK FOR SHORT TO B+ IN CAN BUS WIRE (CAN NO. 1 JUNCTION CONNECTOR - CENTER AIRBAG SENSOR ASSEMBLY)
OK -- Continue to next step.

12. CHECK FOR SHORT TO B+ IN CAN BUS WIRE (COMBINATION METER MAIN WIRE)






(a) Measure the resistance according to the value(s) in the table below.
HINT: The resistance must be measured after the CAN No. 1 junction connector is disconnected.
Standard Resistance:






NG -- CHECK FOR SHORT TO B+ IN CAN BUS WIRE (CAN NO. 1 JUNCTION CONNECTOR - COMBINATION METER)
OK -- Continue to next step.

13. CHECK FOR SHORT TO B+ IN CAN BUS WIRE (NETWORK GATEWAY ECU BRANCH WIRE)






(a) Measure the resistance according to the value(s) in the table below.
HINT: The resistance must be measured after the CAN No. 1 junction connector is disconnected.
Standard Resistance:






NG -- CHECK FOR SHORT TO B+ IN CAN BUS WIRE (CAN NO. 1 JUNCTION CONNECTOR - NETWORK GATEWAY ECU)
OK -- Continue to next step.


14. CHECK FOR SHORT TO B+ IN CAN BUS WIRE (ACCESSORY GATEWAY BRANCH WIRE)






(a) Measure the resistance according to the value(s) in the table below.
HINT: The resistance must be measured after the CAN No. 1 junction connector is disconnected.
Standard Resistance:










C -- CHECK FOR SHORT TO B+ IN CAN BUS WIRE (CAN NO. 1 JUNCTION CONNECTOR - ACCESSORY GATEWAY)
B -- REPAIR OR REPLACE CAN BUS BRANCH WIRE OR CONNECTOR (CAN NO. 1 JUNCTION CONNECTOR - ACCESSORY GATEWAY)
A -- Continue to next step.

15. CHECK FOR SHORT TO B+ IN CAN BUS WIRE (CAN NO. 1 JUNCTION CONNECTOR - POWER STEERING ECU)






(a) Disconnect the power steering ECU connector.
(b) Measure the resistance according to the value(s) in the table below.
HINT: The resistance must be measured after the CAN No. 1 junction connector is disconnected.
Standard Resistance:





NG -- REPAIR OR REPLACE CAN BUS BRANCH WIRE OR CONNECTOR (CAN NO. 1 JUNCTION CONNECTOR - POWER STEERING ECU)
OK -- REPLACE POWER STEERING ECU

16. CHECK FOR SHORT TO B+ IN CAN BUS WIRE (CAN NO. 1 JUNCTION CONNECTOR - STEERING ANGLE SENSOR)

(a) Disconnect the steering angle sensor connector.






(b) Measure the resistance according to the value(s) in the table below.






HINT: The resistance must be measured after the CAN No. 1 junction connector is disconnected.
Standard Resistance:






NG -- REPAIR OR REPLACE CAN BUS BRANCH WIRE OR CONNECTOR (CAN NO. 1 JUNCTION CONNECTOR - STEERING ANGLE SENSOR)
OK -- REPLACE STEERING ANGLE SENSOR


17. CHECK FOR SHORT TO B+ IN CAN BUS WIRE (CAN NO. 1 JUNCTION CONNECTOR - YAW RATE SENSOR)






(a) Disconnect the yaw rate sensor connector.






(b) Measure the resistance according to the value(s) in the table below.
HINT: The resistance must be measured after the CAN No. 1 junction connector is disconnected.
Standard Resistance:






NG -- REPAIR OR REPLACE CAN BUS BRANCH WIRE OR CONNECTOR (CAN NO. 1 JUNCTION CONNECTOR - YAW RATE SENSOR)
OK -- REPLACE YAW RATE SENSOR


18. CHECK FOR SHORT TO B+ IN CAN BUS WIRE (CAN NO. 1 JUNCTION CONNECTOR - MAIN BODY ECU)






(a) Disconnect the main body ECU connector.






(b) Measure the resistance according to the value(s) in the table below.
HINT: The resistance must be measured after the CAN No. 1 junction connector is disconnected.
Standard Resistance:






NG -- REPAIR OR REPLACE CAN BUS BRANCH WIRE OR CONNECTOR (CAN NO. 1 JUNCTION CONNECTOR - MAIN BODY ECU)
OK -- REPLACE MAIN BODY ECU


19. CHECK FOR SHORT TO B+ IN CAN BUS WIRE (CAN NO. 1 JUNCTION CONNECTOR - AIR CONDITIONING AMPLIFIER)







(a) Disconnect the air conditioning amplifier connector.






b) Measure the resistance according to the value(s) in the table below.

HINT: The resistance must be measured after the CAN No. 1 junction connector is disconnected.
Standard Resistance:






NG -- REPAIR OR REPLACE CAN BUS BRANCH WIRE OR CONNECTOR (CAN NO. 1 JUNCTION CONNECTOR - AIR CONDITIONING AMPLIFIER)
OK -- REPLACE AIR CONDITIONING AMPLIFIER


20. CHECK FOR SHORT TO B+ IN CAN BUS WIRE (CAN NO. 1 JUNCTION CONNECTOR - CENTER AIRBAG SENSOR ASSEMBLY)






(a) Disconnect the center airbag sensor assembly connector.






b) Measure the resistance according to the value(s) in the table below.
HINT: The resistance must be measured after the CAN No. 1 junction connector is disconnected.
Standard Resistance:






NG -- REPAIR OR REPLACE CAN BUS BRANCH WIRE OR CONNECTOR (CAN NO. 1 JUNCTION CONNECTOR - CENTER AIRBAG SENSOR ASSEMBLY)
OK -- REPLACE CENTER AIRBAG SENSOR ASSEMBLY

21. CHECK FOR SHORT TO B+ IN CAN BUS WIRE (CAN NO. 1 JUNCTION CONNECTOR - COMBINATION METER)






(a) Disconnect the combination meter connector.






b) Measure the resistance according to the value(s) in the table below.
HINT: The resistance must be measured after the CAN No. 1 junction connector is disconnected.
Standard Resistance:






NG -- REPAIR OR REPLACE CAN BUS BRANCH WIRE OR CONNECTOR (CAN NO. 1 JUNCTION CONNECTOR - COMBINATION METER)
OK -- Continue to next step.


22. CHECK FOR SHORT TO B+ IN CAN BUS WIRE (CAN NO. 1 JUNCTION CONNECTOR - ACCESSORY GATEWAY)






(a) Disconnect the accessory gateway connector from the accessory.






b) Measure the resistance according to the value(s) in the table below.
HINT: The resistance must be measured after the CAN No. 1 junction connector is disconnected.
Standard Resistance:






NG -- REPAIR OR REPLACE CAN BUS BRANCH WIRE OR CONNECTOR (CAN NO. 1 JUNCTION CONNECTOR - ACCESSORY GATEWAY)
OK -- REPLACE THE ACCESSORY.

23. CHECK FOR SHORT TO B+ IN CAN BUS WIRE (CAN NO. 1 JUNCTION CONNECTOR - NETWORK GATEWAY ECU)






(a) Disconnect the network gateway ECU connector.






b) Measure the resistance according to the value(s) in the table below.
HINT: The resistance must be measured after the CAN No. 1 junction connector is disconnected.
Standard Resistance:






NG -- REPAIR OR REPLACE CAN BUS BRANCH WIRE OR CONNECTOR (CAN NO. 1 JUNCTION CONNECTOR - NETWORK GATEWAY ECU)
OK -- REPLACE NETWORK GATEWAY ECU