LEMON Manuals: Even more car manuals for everyone: 1960-2025
Home >> Toyota >> 2009 >> Matrix Base, Automatic >> Repair and Diagnosis (Single Page) >> Accessories & Equipment >> Entertainment Systems >> Audio/Visual >> Audio And Visual System >> DTC 01-DD: Master Reset; DTC 01-E1: Voice Processing Device ON Error >> Inspection Procedure
April 5, 2026: LEMON Manuals is launched! Read the announcement.

Inspection Procedure

NOTE: Be sure to read Description before performing the following procedure.
  1. CHECK RADIO RECEIVER POWER SOURCE CIRCUIT 

    Refer to RADIO RECEIVER POWER SOURCE CIRCUIT  .

    If the power source circuit is operating normally, proceed to the Next Step.

  2. INSPECT RADIO RECEIVER 
    1. Disconnect the radio receiver connector.
    2. Measure the resistance according to the value(s) in the table below.

      Standard Resistance 

      RESISTANCE SPECIFIED CONDITION

      Tester Connection Condition Specified Condition
      E40-5 (ATX+) - E40-15 (ATX-) Always 60 to 80 Ω
      Fig 1: Identifying E40 Radio Receiver Connector
      G06035676Courtesy of © TOYOTA, LICENSE AGREEMENT TMS1002

      NG: REPLACE RADIO RECEIVER  (See REMOVAL  )

      OK: Go to Next Step 

  3. IDENTIFY THE COMPONENT WHICH HAS STORED THIS CODE 
    1. Enter diagnostic mode.
      Fig 2: Service Check Mode Flow Chart - Diagnostic Mode
      G05753296Courtesy of © TOYOTA, LICENSE AGREEMENT TMS1002
    2. Press the preset switch "3" to change the mode to "Detailed Information Mode".
    3. Identify the component which has stored this code.

      Component Table 

      COMPONENT REFERENCE CHART

      Component Physical Address
      Stereo component amplifier 440

      HINT:

      • "P440" set by the stereo component amplifier is shown in the preceding illustration as an example.
      • For details of the DTC display, refer to DTC CHECK / CLEAR  .
  4. CHECK HARNESS AND CONNECTOR (RADIO RECEIVER - COMPONENT WHICH HAS STORED THIS CODE) 

    HINT:

    For details of the connectors, refer to TERMINALS OF ECU  .

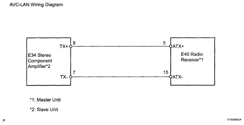
    1. Referring to the following AVC-LAN Wiring Diagram, check the AVC-LAN circuit between the radio receiver and the component which has stored this code.
      1. Disconnect all connectors between the radio receiver and the component which has stored this code.
      2. Check for an open or short in the AVC-LAN circuit between the radio receiver and the component which has stored this code.
        Fig 3: AVC-LAN Wiring Diagram
        G06035677Courtesy of © TOYOTA, LICENSE AGREEMENT TMS1002

        OK: 

        There is no open or short circuit  .

        NG: REPAIR OR REPLACE HARNESS OR CONNECTOR 

        OK: Go to Next Step 

  5. REPLACE RADIO RECEIVER 
    1. Replace the radio receiver with a known good one and check if the same problem occurs again.

      OK: 

      Malfunction disappears  .

      NG: REPLACE COMPONENT WHICH HAS STORED THIS CODE 

      OK: END