LEMON Manuals: Even more car manuals for everyone: 1960-2025
Home >> Toyota >> 2009 >> Matrix Base, Automatic >> Repair and Diagnosis (Single Page) >> Accessories & Equipment >> Infotainment >> Navigation / Multi Info Display >> Navigation System >> Speaker Circuit >> Wiring Diagram
April 5, 2026: LEMON Manuals is launched! Read the announcement.

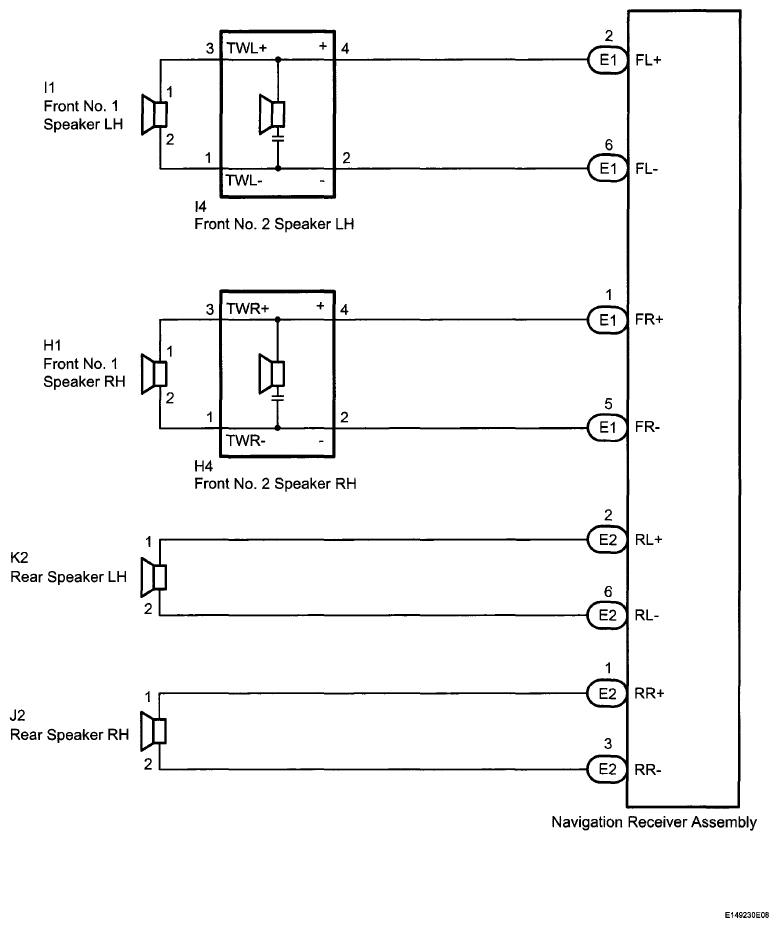
Speaker Circuit: Wiring Diagram

Fig 1: Speaker Circuit - Wiring Diagram
G06035978Courtesy of © TOYOTA, LICENSE AGREEMENT TMS1002