LEMON Manuals: Even more car manuals for everyone: 1960-2025
Home >> Toyota >> 2009 >> Matrix Base, Automatic >> Repair and Diagnosis (Single Page) >> Electrical >> Body Electrical >> OEM System Circuits >> ABS without VSC >> Notes
April 5, 2026: LEMON Manuals is launched! Read the announcement.

ABS without VSC: Notes

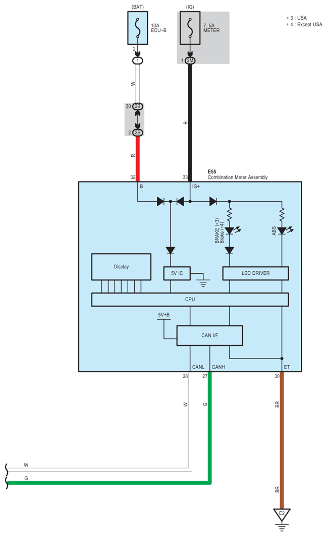
Fig 1: ABS Without VSC - Circuit Diagram (1 Of 5)
G07606316Courtesy of © TOYOTA, LICENSE AGREEMENT TMS1002
Fig 2: ABS Without VSC - Circuit Diagram (2 Of 5)
G07606317Courtesy of © TOYOTA, LICENSE AGREEMENT TMS1002
Fig 3: ABS Without VSC - Circuit Diagram (3 Of 5)
G07606318Courtesy of © TOYOTA, LICENSE AGREEMENT TMS1002
Fig 4: ABS Without VSC - Circuit Diagram (4 Of 5)
G07606319Courtesy of © TOYOTA, LICENSE AGREEMENT TMS1002
Fig 5: ABS Without VSC - Circuit Diagram (5 Of 5)
G07606320Courtesy of © TOYOTA, LICENSE AGREEMENT TMS1002